手機、平板、電子書、路由器維修 & 技能教學,請洽 LINE ID:CARTINGHAO
各位好,我是台灣黑手,黑手的黑,黑手的手,今天講解的是一台 iPhone X 無法開機,順便與各網友說明一下,本人沒有開店,因為我是教書的,如果有需要送件給我修,都必需是採用店到店,同時無法現場等等,另外我不處理換電池跟換螢幕這種小問題,除非您有非常堅持,一定要我幫你電池~~~感謝!
這是一位客戶送修的 iPhone X 外觀有些摔傷,但沒有人維修過,客戶希望救回資料與維修,因為這裡設備缺很大,所以只能先將風口取下,以無風罩的方式加熱

待防水膠軟化後,將面板打開,目測內部沒有人為動修與進水的痕跡

先將所有排線取下

把最貴的後鏡項小心翼翼取了下手,維修師傅手不要去摸中間塗層處

先將主機板卸下

上電的結果是短路,但 iPhone X 有雙層主板設計,必需先弄處理,到底是.......中框之上短,還是中框之下短,同樣以無風罩的方式加熱

大花加熱時間在三分鐘左右,就可以將 iPhone X 主板分層了

確認為應用處理器的那一面主板有短路狀態,利用導體的方式,強制上電

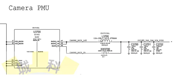
從電路圖中,可以看的到,這是一個 BUCK 電路內部含 FB 反饋,是給相機供電的晶片

自己動手,豐衣足食,以我修 iPhone X 的經驗來說,普遍溫度會比 iPhone 8 以前機款來的低溫,用 290 度就可以安全取下

拆除後前端供電算是正常,但在測量時,發現後級也有異常的情況

在主供電 PMU 附近同樣找到了一顆異常的濾波電容

不過這組電壓是給 AP 使用 BUCK 電路中的一顆電容,為何會在這麼奇怪的地方短路,這也是很玄的一件事情,將應用處理器取下,並且重新植錫

以大風口,中溫的方式將 AP 重新回上於主機板

並且更換新的相機供電

裝上 iPhone X 測試平台含面板,測開機~~果然點亮了

在裝上後鏡頭,並打開 APP ,也可以正常操作了

最後將雙層主機板,放置加熱平台上,溫度設定到炸雞腿的溫度就可以了

裝機測試,資料全部救回,功能也都正常,但就是有一個小問題~~~電池無數據!!

電量部份顯示的都是 0% ,接上愛思顯示都是無數據,不定時重啟,大概五分鐘左右重啟一次

我原本以為是中框沒有接好,但就在我測量時,在一處發現

iPhone X 的電池座結構,都採用 I2C 的架構,正確來說,應該是從 iPhone 8 開始就這樣了,不在採用傳統的 SWI 電量計,所以你想去測 SWI 2V 的波行,是沒有意義的,我在測量時,發現電池座的 I2C 有一路呈現開路,但在測量 R3202 與 R3201 數值都是正常,這兩個 MOS 管,都是 N-MOS 也就是說 PP1V8 是參與開機的,能進系統一般不考慮 1V8 的部份,而 N-MOS 是 G>S 讓 D-S 導通

只要從 33ohm 的電阻,跳一條線出來即可,不需要管到 1V8 的問題,因為 I2C_SDA 的前端,一定會有一顆 1.1K or 2.2K 的上拉電阻在,所以根本無須理會 1V8 的問題(因為前端的 I2C 也是吃 1V8 而且參與開機),我同意這條線,弄的不是很好看,手邊的工具,其實能找到一條線就不錯了,我還差點跑去買立克白來固定

最後裝機測試,電池數據回復,使用了 500 多個循環,充電正常,拍照正常,硬體有價,資料無價,收工!





















