該電路的使用時機主要是設計的CPLD空間不夠,而在經費或其他因素下沒有辦法使用其他料的情況下,雙CPLD的規劃方式就可以派上用場。

我們從該CPLD的handbook中其實可以看到,其實已經有教我們如何規劃多個Device。

透過硬體端的準位控制,我們就可以將我們的溝通訊號串接在一起。

透過HW端的ID設計,我們可以實現串接的CPLD接收相同的指令而不會有誤動作的問題


從下圖的模擬我們可以看到,我們的硬體ID有發揮作用,兩顆CPLD個別執行收到的命令

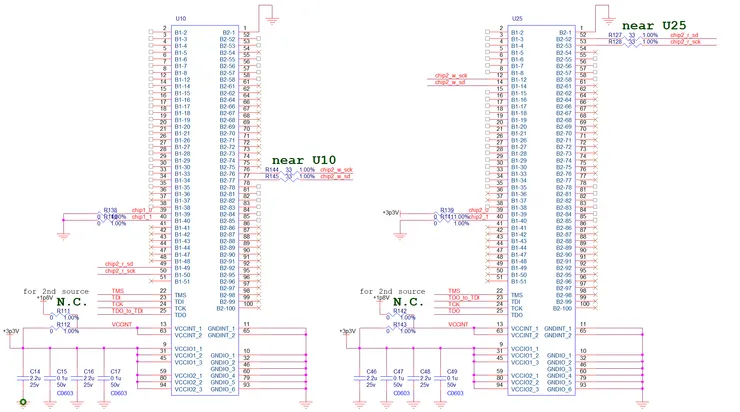
完成後的電路,在Programmer的軟體下,我們自動偵測就可以發現抓到兩顆CPLD,這樣就表示設計有成功,而第一顆和第二顆分別就是對應我們電路圖上的U10與U25。燒錄時注意CPLD code不要燒錯顆即可。


















