專欄內文開始前的備注:
本回內容部分圖像取得和授權不易,部分解說插畫、推薦書單和軟體介面將會在未來逐步追加補齊。更新項目與細節,可見專欄目錄中「更新條目」的相關記載。
內容中,除標示免費外的軟體使用尚須付費「訂閱」或「買斷」。《鑽磨誌》尊重開發者勞動成果,呼籲各位支持正版軟體、反對盜版侵權。
有關模型改造作例、目前展示圖片的「橘色機Reconguista」相關專欄與內容,日後將獨立額外發行。本機體遵守相關使用條約,採用正版萬代MG套件「異端鋼彈藍色機D型」、「電擊鋼彈」和3D列印改造混合,機動戰士品牌與機體名稱主名(異端鋼彈)均為日昇和萬代所有。
特別感謝:
機械設計師BROKEN老師(橘色機背包CG建模設計師)協助監修

相較傳統的手工原型面臨的物理障壁,數位化原型可提前進行模擬並有著無限次修改檔案數據的優勢,加速了創作開發進程。巴力一案中,雖然數位化程度較企業為低,但本章節中,我們仍將針對想入門數位軟體和列印領域的夥伴提點相關的資訊、整理對應實用的自學方向。

學習的開始總是需要動機。
看見漂亮的作品而被感動、進而知道背後創作者達成目標的製作方法然後想追隨學習,是許多人必定經過的道路、憧憬與現在進行式。有道是「工欲善其事,必先利其器」─如果你正興高采烈地開始張羅電腦、取得軟體還有購買書籍;再開始本文前,請先再思考剛才括號中粗體字的俗諺、然後回答提問:
學會使用操作某一套CG建模軟體並精熟,真的能保證成為一位能將創作能量實踐的CG原型師嗎?
作為引路人,本文很不幸地對你宣告:答案為否。
原型師的養成本身並不單純。事實上,在沒有絕對數據─曲率、半徑、長寬高、厚度等資訊─的前題下,一位純粹的軟體操作者和CG原型師縱使使用相同的操作動作,也無法生成相似、甚至可以相互平起的檔案成果。
換句話說,熟練軟體的每項功能只是保證將理解的形體負責呈現在軟體的虛擬中的最後一哩,若不能更深刻的理解「原型」是「構成形體的轉詮釋」一事,冒然的在「工」的基本原則未解下想逆向透過器具參悟意義習知「匠」的本質、無異是全然的謬論,更會種下未來挫折與放棄的結果。
給閱讀本文的你:適當的心靈雞湯,有助於長期而穩定的成長;但多喝又不動生成的自我膨脹贅肉,只會淹沒原始的初心。恭喜你因為追夢而踏出第一步;之後,唯有毅力而持續不斷的練習、反覆檢證行進方向的成果,才是達成目標的不二法門。

圖面的轉與再構成是原型製作的精神,無論是數位或者手工都有根本的相同概念。如何正確的理解圖面所攜帶的資訊、補充其中不一定能展示的內容,最後忠實地將特色的造型與以重現,都需要時常的練習和多方的涉獵。在軟體的選擇、開始學習的更前,本小節將重點放在概念創作、三視圖與工程圖等不同的圖面,進一步引入建模初入的可行方式,進入開發的領域。

萬丈高樓平地起─若說通往原型的道路是實踐的收斂過程,那麼起源的發想、概念的來源,便是最為寬廣與自由的舞台。
概念設計的圖稿,在創作的巨觀下通常擔綱「溝通」的用途─圖樣會依原案所提的呈現對象差異,針對故事呈現相關聯的特質進行演繹和部分的細節聚焦,方便在未來各種呈現的媒介和開發的流程中扮演不同工作者們彼此的「共同語言」。
正因為上述特性,在概念設計稿中呈現的人物除整體的「個人」展示外,亦會添加個性呈現的象徵動作、臉部表情特寫和身上重點特徵配件來完整圖面。相對的,器物部分雖然因為「使用」原則不會展示顯著的動作或神色的差異,但仍然有各項角度和重點配件的獨立展示,必要時也會將裝備搭配簡單的解構、展示其存在的動態資訊─這點特別在架空物件上常見。
那麼,在明瞭了展示項目和分類造成的細部,那做為記載最核心資訊量的主概念圖又該如何表現呢?
答案是:設計師們會將被展示物以斜角的手法擺設於虛擬X、Y和Z軸的空間中,依照一定的透視比例調整前後關係,一次性提供相對性的呈現資訊、方便後續精稿和產品後續適性調整所需的追補細節所需的圖面資料。
至於概念稿在完成後、又會流向何方呢?
作為「溝通」用的概念稿,會進入創作項目選擇的形式內予以評估。如果選擇手繪動畫或漫畫的畫面指示使用,該概念會適當的被精簡;反之,如果是遊戲(或動畫)CG建模、立體開發用稿,則會追加機構、細節合理性微調或體態整修以符合市場審美。
下方的列圖,則為不同案件中所用的設計稿件示意。
人物概念設計示意
本設計出自同人誌《Blazing Age》中的自創人物「艾茲托萊‧寇斯摩」。由作者先生原案、委託咖哩老師設計。


機械概念設計
本處展示的機械概念設計因為方便模型後置所以未上色。同樣出自同人誌《Blazing Age》的異端鋼彈模型改造案「橘色機Reconguista」,作者先生同前;機械設計由「巴力」一作的獅子心老師擔綱。



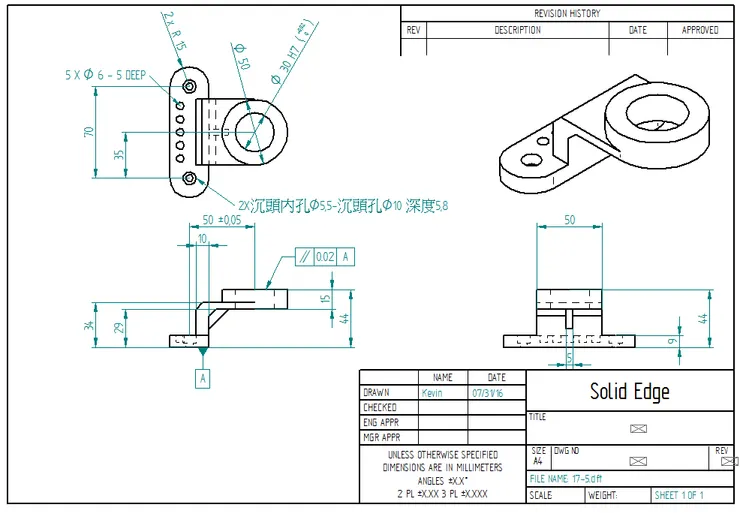
正統的三視圖一詞,是指將被呈現物放置於數學空間的X、Y與Z軸構成的三維空間正值區的箱體內,遵守1:1:1的長度呈現規則,取沿著某一軸線方向的面─如X軸線對應的是Y與Z構成的面、Y軸線則是X和Z的面─進行投影後展開其虛構的箱、選其重要的上、前(或底)和側資訊構成至少成三存在的圖面,加註相關的數據尺規,以此展示設計的樣貌。

因為這樣的條理和強規則定性,三視圖是工業工程製圖呈現的最低主要手段;隨著物件的複雜度和零件數的增加,三視圖也隨之增加因應的投影展開面,並配合剖面、分拆、爆炸和其他的投影角度(如等軸側投影圖)的圖例來承載設計的資訊。這樣一組完整符合規格化的圖群,通常會被稱為下回講解的「工程圖」。
至於設計者時常當作共通語言的「三視圖」,以動畫製作專有名詞的「轉面圖」稱呼會更加合適。
轉面圖中,負責概念發想的設計師會取某些相對可凸顯概念特質或呈現重點的角度、將腦海中的構思以繪製體現。雖圖示同以「正」、「反」和「側」為主,但不需遵守絕對的1:1:1精確度量原則,有時還額外涵蓋了斜特定角度具仰或俯角度的呈現。
因為此「三視」非彼「三視」,改稱這類基本有三面的圖為「三面」圖會更加的合適,請試著將兩者區分開來。

對於CG建模的初學者來說,如果想要逐漸的學會讀懂設計帶來的意義,不妨從學習簡單的素描下手,針對想朝向的目標借助現實的可動人偶、甚至是模型的玩具本體來加以砥礪、吸收其中資訊處理的方法吧。

工程圖,望文生義是指提供工業大量生產所需的精緻設計圖。

相較動畫的「轉面圖」或設計的「概念圖」,工程圖除了收錄「三視圖」一段提及的繪製投影原則,還額外包含了於紙面表示三軸彼此夾角120度、長寬資訊敘述同樣是1:1:1規則的「等軸側投影圖」,單一的零件可達箱體投影六面、斜置雙面共八向的分解。
工程圖除強制遵循的1:1:1比例原則,依循工業生產規格化的方向,針對圖面上一切資訊儲存的手段都有著細緻的規定─從書寫用字、註記方式、線段長度、圓弧的半(或直)徑及比例尺之間的關係等內容;正因為上述鉅細靡遺的確切、同時抹除了大多數作畫者潛在的繪製特性(物件沒有姿態也只有固定透視),故工程圖是所有圖面中距離創作相對最遠,但和具體產品最近的一類圖稿「群」。
一份完整的工程圖是集結了大量經過完整的訓練、遵循定製的條件的分工,囊括細節的零件到整體的構成的總成。有時,為了更明確的展示一項工程圖表現的對象,圖面還會拓展包含「同一圖中展示依照零件相對位置的方向和順序排列以軸測投影三面排列」的「爆炸圖」與「零件組裝構成」的「組合圖」。讀懂「工程圖的設計」,便須將指定部分的關聯圖群全部看完,實際理解每個細節對應整體的位置、干涉和條件,才能夠在後續的製造或維修上正確施作。
總體來說,工程圖的強專業性對「立體企劃開發」有著絕對的正向性─學會使用比例尺和長寬高弧厚等資訊傳達的記載技巧,知曉厚度的封閉特徵、簡易的結構驗證與圖系聯合承載的資訊手法,就算選擇的軟體不能全盤提供協助、光憑這些知識都能幫助創作者在最終的監修上能有共通的術語溝通能力、加快實踐自造的道路。
次回的內容中,我們將要討論「如何用CG加快手工原型製作流程」的開發方法,同時展示用來錨定作品比例使用的自製關節機構、敬請期待。

3D CG建置的手法,一般可被分為三類:CAD(電腦輔助設計)、CAID(電腦輔助工業設計)與Polygon(多邊形)。
如果說要選擇一種建置手法當入門方向,台灣因主流學校教育訓練與自造者的主從業分布,合計考量軟體和參考資源取得的難易程度,Polygon系統便成為邁入數位原型最佳的選擇。
Polygon系統的3D建模呈現原則中,創作者可使用數位工具擠出形狀、並以加減與拖曳調整表面的頂點、線段和面塊,最終集成多群組完成造型。特別需要注意的是:因為所有的造型調整都是針對點線面而來,自然程式並不會認知到創建物是需要體積的「封閉實體」;如果想要更進一步匯出CG原型投入3D列印的自造,故在造型外部完成後,須確實地將所有的面做出表裡(厚度)並手動予以封閉。
至於塊面的穿插導致機制的干涉的部分,則必須全面由人腦配合經驗手動排除。因此足夠的手工模型技巧不但能補足初期學習建模和嘗試自造時的落差,同時也能透過經驗的回饋,嫻熟需要人為介入的細節。更多手工原型的教學,請見後續的連載介紹。

3ds Max基本預設的主介面可看作三視與總預覽組成的的四視窗,是一款四平八穩、擅長硬面CG建模的專業動畫軟體;其系統內部也涵蓋了簡單的「假物理」碰撞檢查、可和遊戲引擎等相關開發銜接,完成一條龍的製作流程。
3ds Max的開發商為AutoDesk,軟體的取得方式採訂閱制度、但有學生特別免費版(詳細訊息請點此)併行。本軟體於台灣遊戲開發與影片製作領域普遍常見;對於前身為創作者轉自造者的朋友而言十分容易於職場接觸、對新米有著大量教科書與付費課程,故時常會成為軟體考量的一選。
需注意的,因為3ds Max以「動畫軟體」為主軸的特性,建模如果需要轉為原型開發使用,一格的1單位邊長是以1cm為單位、調整量尺的大小不會變動邊長。雖然過去因為可直接使用量測模型各項數據大小或指定固定長寬高度尺規直接生成物件、甚至支援全C++模式生成CG,但因為龐大無用的檔案容量、近年漲價而且本來就偏高的訂閱金額,所以原本慣用此類軟體的室內設計師(特以2008為分水嶺)部分轉往SketchUP作為替代。
基於上述的缺陷,如果沒有工作時常使用的包袱,或許選用近似的軟體作為替代會比較適切。


Blender起源自商業軟體,經「贖身」後轉型由Blender基金會維護,現在是一軟體體積輕巧、強大且完全自由開源的CG軟體。其內容全面將建模、遊戲引擎、動畫建置與影片編輯等功能集成,可透過一套軟體搭配插件一條龍化並支援多方格式匯出予以轉用,故十分受到各項CG關聯專業人士的喜愛與推崇。
擅長硬面的Blender預設介面提供單個網格三維座標工作區,不同的工作類型會以標籤的形式提供覆蓋式的切換、不會額外跳出多餘的視窗。對於純建模,如果需要傳統對照方便的三面模式,亦可以透過拖曳主區域創造分切,非常適合大螢幕的創作發揮;至於尺規方面,預設的系統1單位等同現實的1mm,除非是超巨大的模型建置才需要額外對單位重新調整,亦十分方便。
唯一需要注意的是,Blender關閉軟體時不會強制暫停關閉程序提醒使用者記得存檔,這點是使用者特別需要牢記的事情。
相較於付費居多的3ds Max,Blender因為社群的活躍擁有許多線上免費教學資源,作為軟體維護方的基金會更推出了一系列的Step-by-Step教學影片於Youtube上可供直接觀摩;且論就原型學習所費的成本有著絕對的優勢,在此十分推薦新到的朋友以此入門。


ZBrush是一套由Pixologic公司開發的純建模軟體。
初登台時,相較於前述兩套需要以拖曳和增加頂點的方式構成造型的同儕,其專利"pixol"技術─一次包含表面所有的三軸值、以直覺的「雕塑」為主打的風格震撼了市場,提供傳統藝術家無痛的接軌與直接中高表面紋理處理的方案。現在普遍在遊戲或影片製作中擔任CG模型的前置建構作業,是主流有機體軟面建置中最為常見的商業軟體。
ZBrush作為一款單次買斷可享有後續軟體生命週期版本號更新的有限安裝合約型軟體,基本介面同樣是以一個網格三維虛擬工作區為中心供使用者作業。雖然早期的ZBrush因為注重雕塑的呈現而在傳統Polygon類的硬面構成中趨於弱勢,但近年隨著改版和功能的強化,差異已經被克服、甚至提供了純Polygon類以頂點、線與面繪製建模的功能。
至於做為原型建置的用途方面,軟體預設的網格1單位長等同1mm,且可依照模型用途自由於製作前或後期調整比例尺設定,系統會自動換算增加多邊形數、有著相當的便利性。近年,ZBrush更與3D列印機生產商開發整合插件,可完成直接的輸出與相關的服務。
ZBrush近年推出了基於4R7版本為基礎、剔除了部分與雕刻無關的功能的整合版本軟體,稱為ZBrushCore。本軟體多以代理商販售,售價相對更為平易近人;且基本上兩者概念完全通用,故相關的書籍也能夠平移理論進行整合。

如果覺得ZBrush (甚至是ZBrushCore)第一時間投入買斷金額對學習負擔太高的朋友,同隸屬Pixologic、基本概念大同小異、介面簡單明確且完全免費的Sculptris會是不錯的入門磚。
不過作為原型開發的建模和列印使用上,功能受到精簡的Sculptris繼承了早期ZBrush硬面不良的重大弱點外,沒有直接標示X、Y與Z軸的長度對應單位且不能調整、僅能用列印後手工建造補正來彌補,讓整體留下了相當的缺憾。


3D CG建模軟體除了以Polygon為原理的上述軟體,如果你想同時保有創作者理想的「繪製感」與可工業量產的能力並排除軟體中大量無須的功能縮短學習的總時程,那麼與3D列印最初的快速成形有著深刻關聯、沒有提供各項複雜模擬功能的CAID─電腦輔助工業設計軟體類,或許是更好的選項。
目前市面上的CAID軟體種類不多,商業應用上可分為Autodesk旗下、擅長區面的設計軟體Alias Autostudio和 Robert McNeel&Associates公司(創始者兼開發人)打造具工程能力的曲面軟體Rhinoceros 3D兩大派系。在台港澳與中華人民共和國領域,Rhino提供的廣泛應用性和多樣的插件十分受到歡迎;但高階如汽車的曲面呈現設計,則多霸由Alias獨霸。
上述這兩套軟體除Autodesk提供的學生有限免費管道外,一般使用者都需要繳納相當昂貴的訂閱或買斷金額,對於使用者的親和度有限。且通常因為強的軟體專一性,其他的功能需要配合工程軟體才能達成。
近年來,AutoDesk推出的Fusion 360成功地以極小的安裝檔案、提供部分CAD功能和完整CAID項目並與3D列印結合,悄悄的在日本的機械類同人原型開發社團間佔有一席之地。雖然因為部分雲端化必須強制和AutoDesk帳號綁定、且開啟執行效能相對緩慢,但以教育使用為前提,一個帳號可擁有三年完全免費的使用期、結束後的訂閱費相對低廉,考量官方完整的介紹入門參考資料與操作難易度,新米的夥伴絕對可以將之列入入門的考慮。

另一方面,如果你想創建的物件想透過機械強度模擬驗證、直接排除結構干涉(穿插)、具機電系統搭載而且擁有所有細節數據參數的資訊─如軍武類、機殼MOD等項目,電腦輔助設計、CAD系的軟體將會是不二的最佳選擇。
CAD軟體在台灣因為領域集中的關係,主要有PRO-E和Solidworks兩派。不過因為高度專業且具備複雜的材質和物理互動模擬功能的關係,這類軟體的單獨售價均十分驚人;唯一有著類似功能、去除物理模擬導致偏向CAID些許的免費軟體,則是SketchUP。
總體來說,因為數據輸入與強迫尺規的原則,這些軟體對軟面或弧面的創造和呈現能力大受限制且有僵硬的現象;如果要完成複雜的造型,通常會是先在CAID軟體上完成外部造型,再輸入CAD軟體補足拆解、增添模型內的細節。
至於該去哪裡學習、又有哪些書籍可供參考?
除了內文提示的超連結外,次文末的推薦書單、或許可供各位參考。

本章節將收錄了多數軟體相關的教育書籍、且會緩慢的更新。
相對於軟面的ZBrush教科書的豐富,對於機械人硬面的立體感呈現和分解構造的理解,目前相關的參考普遍密集於2013~2016年間的雜誌介紹,而多數知識建議需透過實際的模型玩具拆解來加以學習。
目前《Developer Logs》除推出手作連載外、同一原案不同機體亦進入教學設計的評估狀態。日後推出相關調查時,本部分將連動更新至調查頁面、歡迎填寫指教。
ZBrushCore超入門講座
HOPBOX 福井信明著,2017年4月12日出版。
在日本亞馬遜上和多數ZBrush書籍搭配的推薦品、可同捆搭配特價寄往台灣;台灣也有在博客來等網站販售。內容主打簡明易懂,如果有一定的日文閱讀能力,本書適合完全沒有接觸過該軟體的朋友閱讀。
ZBrushフィギュア制作の教科書
榊馨著,2016年4月26日出版。
如果想了解ZBrush而非精簡的ZBrushCore,亞馬遜上的本書內容涵蓋了從CG到列印成品的製作相關製作技術,適合沒有實際模型處理經驗的朋友們當作前導的閱讀和練習。
唯一可惜的是,因為成書時間較早,新的功能項目(特別是3D列印連動的插件,因為是2017年發生的事情)並沒有收錄。不過基本精神相同,或許未來會推出更新版、亦可選擇其他類似的書籍加以參考。

「ZBrush Core」でつくるフィギュア原型─イラストからフィギュアを作る!
加茂 恵美子著,2017年9月1日出版。
其實標著ZBrush和フィギュア的書系一定程度上都值得購買。本書相對成書時間較新,雖然同樣是日文著作,但目前正搭配繪圖板和前述書籍一併特價,不妨是第一本完結後的參考書。至於更進階的設計面,可以依照你喜歡的ZBrush設計師進行書系的挑選。下列為本文監修的機械設計師、BROKEN老師推薦的書籍。

レプリカントEX (系列)
竹書房出版的MOOK誌。每年都會推出集結出版前大成的作例攝影與設計小教學章節的EX版本,只要收集此類便可從中窺見設計的流變和流行風潮。適合想要激發靈感的朋友在學得建模後閱讀。最新的EX為EX6。

















