本文摘錄台灣現行和道路無障礙設計相關的法規與規範。
因為是摘錄內容,若有些專有名詞,我會用「YC註」的方式說明,以便理解。若我對法規有想法,會用「YC思考」的方式說明,不過我並非法律或工程專業,如果有誤解之處,歡迎討論、指正。
如有未盡之處,歡迎補充。
市區道路及附屬工程設計標準
此標準最後修正日期:民國 110 年 08 月 11 日
第 5 條
主要道路及次要道路之規劃設計規定如下:
一、為營造都市友善安全環境,應留設人行道。
第 7 條
服務道路之規劃設計規定如下:
一、為改善行人通行空間,道路應留設人行道。但道路寬度十二公尺以下,且路旁設有平整騎樓或無遮簷人行道者,得視實際需要設置。
✽ YC註
主要道路:指都市內之省道、市道、縣道、區道及鄉道或連接鄰近市(鄉、鎮、區)間之主要幹線道路。
次要道路:指都市內聯絡主要道路與服務道路之次要幹線道路。
服務道路:指提供都市內社區人車出入或至次要道路之聯絡道路。
第 16 條
市區道路人行道設計規定如下:
一、人行道寬度依行人交通量決定,其供人行之淨寬不得小於一點五公尺。但道路寬度十二公尺以下者,其淨寬不得小於一點二公尺,如受限於道路現況,經該管主管機關同意者,其淨寬不得小於零點九公尺。
二、人行道允許腳踏自行車通行者,其設計不得有礙行人通行。
三、縱向坡度不得大於百分之十二,並應配合道路縱向坡度。但無法配合者,得另行設計。橫向坡度不得大於百分之五。
四、人行道之通行空間淨高,不得小於二點一公尺。
五、人行道緣石高度不得大於零點一五公尺,如為車流導引者,不得大於零點二公尺。與行人穿越道銜接處或地形變化處,得採斜坡方式處理。
六、人行道上原則不劃設機車停車格,有機車停車需求者,應優先採停車彎型式設置。如於人行道上劃設機車停車格位,應經該管主管機關同意,且劃設後供人行之淨寬不得小於一點五公尺。
✽ YC思考
關於第五點「人行道與行人穿越道銜接處或地形變化處,得採斜坡方式處理」,如果把「得」改成「應」,不知道這樣是否可以改善道路無障礙設計呢?
第 20 條
市區道路無障礙設施設計規定如下:
一、無障礙通行空間採連續性設計,且不得設置妨礙行人通行之障礙物。
二、無障礙通行空間設置坡道者,坡道斜率不得大於一比十二;坡道淨寬不得小於零點九公尺。
三、人行天橋與人行地下道出入口及路面高低差變化位置,應設置警示帶。
四、無障礙通行空間於交叉路口連接行人穿越道時,應與路面齊平或設置坡道。
✽ YC思考
雖然法規裡有提及「無障礙通行空間」,但並未規範哪裡要有無障礙通行空間,也就是說如果不是主動設立,條文底下這四點都可以不用遵守了?我覺得可以參考第五條與第七條有明定應留設立人行道的法規,讓無障礙通行空間成為市區道路標配,而非選配。
市區道路及附屬工程設計規範 (111 02修正版)
規範發表機關:行政院內政部營建署道路工程組
第十四章 無障礙設施
14.1 無障礙通路
市區道路宜視實際狀況於人行道設置無障礙通路,其主要項目包含路緣斜坡、無障礙坡道及導盲設施。 設置無障礙通路之一般性規定如下:
1. 無障礙通路淨寬以2.5公尺以上為宜,一般情況下不得小於1.5公尺,如因局部路段空間受限時,不得小於0.9公尺,最小淨高2.1公尺。
2. 無障礙通路縱坡度宜小於5%,不宜大於8.33%(1:12) 。
3. 無障礙通路淨寬不足1.5公尺者,應於通路轉向處設置轉向平臺;並於適當地點設置等待平臺,平台長寬各1.5公尺以上,平臺間距宜小於60公尺。
4. 無障礙通路之鋪面規定如下:
(1) 表面宜維持平順,並宜採防滑材質。
(2) 若採石材或磚材鋪面,其接縫處均應勾縫處理,勾縫完成後應與鋪面齊平。
5. 無障礙通路如無側牆且高於相鄰地面20公分以上,應設置高度5公分以上之防護緣(參見圖14.1.1所示);高於相鄰地面75公分時,除防護緣外應加設安全護欄或護牆,總高度不得小於1.1公尺(參見圖14.1.2所示)。
6. 無障礙通路上應避免設置排水溝進水格柵或蓋板,無法避免時,格柵長邊應與行進方向垂直,開孔短邊宜小於1.3公分;蓋板宜具止滑特性。


✽ YC思考
我覺得第六點很值得留意,因為輪椅的輪子可能會卡入排水溝的孔隙,造成輪椅翻覆的危險,視障者的枴杖也可能卡在孔隙中,所以排水溝格柵的方向和孔隙大小都要注意!
14.2 路緣斜坡
路緣斜坡係指將人行道或交通島平順銜接至車道之平緩斜坡,設置參考例如圖14.2.1至14.2.3。
路緣斜坡之設置須符合下列規定:
1. 路緣斜坡應配合無障礙通路之動線與行人穿越道位置對齊,並平緩順接。
2. 路緣斜坡之淨寬不包括側坡之寬度宜大於1.2公尺。
3. 路緣斜坡之坡度宜小於8.33%(1:12);高低差小於20公分者,其坡度得酌予放寬,並參照下表規定設置。

4. 斜坡頂所連接之人行道或坡頂平臺,其橫坡度不得大於5%。
5. 無障礙通路上應避免設置排水溝進水格柵或蓋板,無法避免時,格柵長邊應與行進方向垂直,開孔短邊宜小於1.3公分;蓋板宜具止滑特性。



14.3 無障礙坡道
無障礙通路縱坡度超過5%者,應視為無障礙坡道,但不包括路緣斜坡。無障礙坡道之配置方式應符合本節規定。
1. 無障礙坡道淨寬以2.5公尺以上為宜,供兩輛輪椅併行者最小淨寬為1.5公尺,如因局部路段空間受限時,不得小於0.9公尺;坡道上方最小淨高為2.1公尺。
2. 無障礙坡道最大縱坡度為8.33%(1:12),最大橫坡度為2%。
3. 無障礙坡道長度限制依表14.3.1規定,超過限制長度者應按第4款設置緩衝平臺。

4. 無障礙坡道需設置平臺的位置包括坡頂、坡底、轉向處及第3款規定所設之緩衝平臺。平臺最小縱向長度為1.5公尺;平臺最小寬度不得小於坡道寬度,坡頂、坡底、轉向平臺寬度亦不得小於1.5公尺;平臺上方最小淨高為2.1公尺;平臺最大坡度為2%。
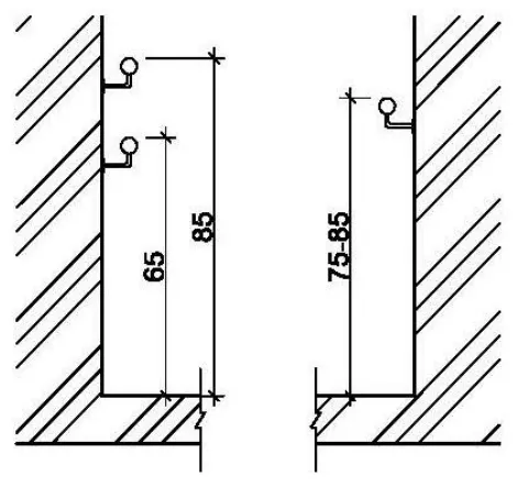
5. 無障礙坡道兩側應設置連續之扶手,扶手端部須採防勾撞處理。採雙道扶手時,扶手上緣距地面高度分別為65及85公分;採單道扶手時,高度為75至85公分。扶手若鄰近牆面則應與牆面保持3至5公分淨距。扶手採圓形斷面時外徑為2.8至4公分;採用其它斷面形狀,外緣週邊長9至13公分。
6. 無障礙坡道及平臺如無側牆則應設置高度5公分以上防護緣;鋪面材質應具止滑之特性。
✽ YC思考
扶手常被作為工程視覺美感展現的一部分,不過就如我另一篇翻譯「融合坡道與階梯設計的問題」文章所提及的一樣,無障礙設計的重點應是要讓人方便、安全的使用,所以無障礙坡道的扶手設計應要滿足規範的最低要求,再來追求美感。以下補充扶手規範的圖示說明。



14.4 導盲設施
導盲設施主要包含整齊邊界線及警示帶,其相關規定如下:
1. 整齊邊界線規定如下:
(1)無障礙通路之一側或兩側應具備足供視障者依循前進之整齊邊界線。
(2)整齊邊界線宜採直線與直角設計,避免不易察覺之弧度,並保持完整與連續性。
(3)利用地面鋪材提供整齊邊界線時,其顏色、材質、觸感或敲擊聲必須與相鄰地面呈現明顯差異或對比,足供視障者辨識,據以導引前進。
2. 警示帶規定如下:
(1)人行天橋或地下道階梯出入口應設置警示帶,其寬度應與階梯出入口相同;縱向深度30公分以上;距離終端梯級30公分,設置參考例如圖14.4.1。

(2)警示帶之顏色、觸感或敲擊聲應與鄰接地面有明顯對比,材質應具備堅實、穩固及止滑之特性。
本文首次發表於:2022/05/08
最後編輯時間:2022/05/08




















