摘要
線性角度誤差是工具機精度的關鍵,單一軸向包含Pitch、Yaw、Roll,此誤差影響工具機幾何精度甚鉅,即是最大的阿貝誤差來源,而線性角度誤差一般採用精密水平儀、雷射干涉儀(角度鏡組)、視準儀互相搭配完成量測,本文針對立式加工機線性角度誤差的量測與計算方法進行說明,從過往量測經驗及文獻資料所提出的觀念做整理,首先說明單軸移動所產生的自由度誤差,將常用的線性角度量儀作一簡介,在來探討線性角度量測於各種規範的解釋,最後提出相關案例及文獻說明,期待國內業者能建立正確的量測觀念並有效改善現有工具機的精度,提升國內機台在國際上的競爭力。
1. 前言
工具機線性軸移動時會產生6個自由度的誤差,主要為縱搖(Pitch)、偏轉(Yaw)、偏滾(Roll)、水平向直度(Horizontal straightness)、垂直向直度(Vertical straightness),以及線性位移的定位誤差。

Figure 1 線性軸6個自由度示意圖
所謂線性角度誤差即是待測移動軸線在全行程中最大的縱搖(Pitch)、偏轉(Yaw)、偏滾(Roll)變化角度,雖然量測範圍很小但對加工精度影響卻很大。而工具機在微小角度的慣用單位第一種為角秒(arc-sec),其角度單位使用為60進位制,即1度可分割為60分,1分再分割為60角秒,故1度=3600角秒。

Figure 2 角度單位的換算示意[1]
另一種角度單位為斜率(mm/M),傳統的氣泡式水平儀採用的量測刻度即為斜率單位;一般氣泡式水平儀的量測解析度為0.02/M,透過三角函數換算亦可換算為角秒單位,0.02mm/1m ≒ 4arc-sec

Figure 3 氣泡式水平儀量測單位示意圖
量測線性角度誤差最常使用的儀器為氣泡式水平儀、電子水平儀、自動視準儀、雷射干涉儀搭配角度鏡組,以下簡介這些儀器的量測原理:
氣泡水平儀的原理是利用氣泡在玻璃管內,其氣泡可經常保持在最高位置的特性,可用來檢驗工具機是否於絕對水平狀態,及檢驗角度變化的測量儀器,外形如下圖所示。

Figure 4 氣泡式水平儀
電子水平儀量測解析度可達1um/M即0.2角秒,其運作原理有電感式和電容式等2種,電感式水平儀當傾斜時,其內部擺錘因受重力變化而移動造成感應線圈的電壓值變化,而電容式水平儀原理為一圓形擺錘無受力狀態懸掛在細線,因擺錘受地心重力所影響,且懸浮於無摩擦狀況,擺錘的兩邊設有電極且間隙相同時電容量是相等,若水平儀受待測工件所影響而造成,兩間隙不同距離改變即產生電容不同,形成角度的差異。

Figure 5 電子水平儀[2]
氣泡式水平儀與電子式水平儀量測方式相同,以平面式移動工作台而言,透過直向及橫向的擺向轉換即可量測出Pitch角度誤差與Roll角度誤差。
干涉儀量測原理是經由入射干涉鏡及轉角鏡的兩道平行光束,再分別由反射鏡反射回來;當反射鏡產生角度誤差,使得兩到平行光所走的路徑長短相異,因反射光交合後形成干涉條紋,量測儀器即將此干涉條紋計算出位移量,再透過反射鏡之二鏡孔固定距離的關係即可運算出實際的角度變化量。以平面式移動工作台而言,透過直向及橫向架設可量測出Pitch角度誤差與Yaw角度誤差。

Figure 6 雷射干涉儀搭配角度鏡組[3]
視準儀是一種光學儀器,與反射鏡聯合使用,可量測微小角度偏差。透過固定的焦距長及光源點到聚焦點的位移,以反三角函數求得2θ的數值,最後依據當平面鏡產生θ角度變化其映像角度變化為2θ的關係,即可計算出實際的偏差角度。對於平面式移動工作台可量測出Pitch角度誤差與Yaw角度誤差,其最大優勢是具備一次完成兩項角度誤差,量測上非常方便。

Figure 7 視準儀原理[4]

Figure 8 視準儀同時量測兩項角度誤差值[5]
針對立式加工機其線性軸X、Y、Z量測對應量儀,整理如下表所示。

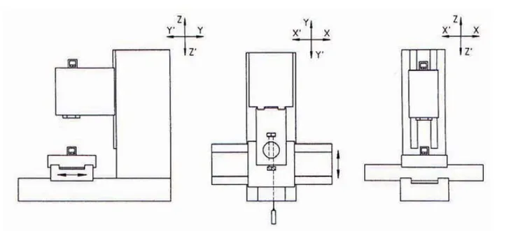
Figure 9 立式加工機示意圖
Table 1 線性角度量測對應儀器表

2.國際標準ISO230-1對線性角度誤差的定義
根據ISO841數控機床座標和運動方向的命名,以下圖為例姆指為X軸,食指為Y軸,中指為Z軸,以右手姆指代表移動方向其他四指方向為旋轉軸方向,
繞著X軸轉動即為A軸,繞著Y軸轉動即為B軸,繞著Z軸轉動即為C軸。

Figure 10 右手直角笛卡兒座標系統(一) [6]

Figure 11 右手直角笛卡兒座標系統(二) [6]
為了統一誤差項國際標準ISO230-1規範定義線性角度的代號,以下圖X移動軸為例:Pitch即X軸移動時產生B方向的旋轉誤差,代號為EBX;Yaw即X軸移動時產生C方向的旋轉誤差,代號為ECX;Roll即X軸移動時產生A方向的旋轉誤差,代號為EAX。

Figure 12 ISO230-1線性角度誤差代號-X軸[7]
2.CMD中品級標準對線性角度誤差的定義
中品級標準將線性角度誤差定義為床台運動真直度,這樣的表示方法卻容易令人容易有將角度誤差及真直度誤差混淆的可能,應兩者屬不同單位的誤差;當然理論上角度誤差越小其真直度應越小,因兩者存在相互關係,故中品級標準才會一同置入真直度項目,但切記兩者各屬獨立誤差。

傳統標準對於線性角度誤差的定義即為移動時的動態水平,採用儀器為氣泡式水平儀。例如進行X、Y軸的線性角度誤差檢驗其量測方法為:床台置於X及Y軸方向移動之中央位置,將水平儀放置床台上至少量取中央及兩端三個位置以上,a、b兩方向之各別最大變化讀值即為誤差。
關於X及Y軸的角度誤差量測(一般即代表機台的動態水平),總合來說即是必須至少於於X、Y可移動的9個位置進行量測,各別紀錄兩方向量測數據後在去計算出X軸及Y軸最大的角度變化量。

Figure 14 中品級規範量測動態水平
以下圖做計算說明,假設床台中間位置為絕對水平並量測其他8點數值,比較各軸線最大偏差值,最後可得X軸的線性角度誤差:Pitch=0.02mm/M(4arc-sec),Roll=0.03mm/M(6arc-sec);Y軸的線性角度誤差:Pitch=0.04mm/M(8arc-sec),Roll=0.02mm/M(4arc-sec)。

Figure 15 中品級動態水平計算說明 單位(m/M)
3.國際標準ISO10791-2對線性角度誤差的定義
根據國際規範ISO10791-2的說明,在雙方向運動之兩方向上,應至少各在其行程內之等距5點進行量測,其最大與最小差值即為角度誤差,以下為X、Y、Z三軸的角度誤差量測示意圖。

Figure 16 直線X軸Pitch、Yaw、Roll量測圖[9]

Figure 17 直線Y軸Pitch、Yaw、Roll量測圖[9]

Figure 18 直線Z軸Pitch、Yaw、Roll量測圖[9]
目前對於立式加工機其Z方向的Roll誤差,傳統儀器皆無法量測,而ISO10791-2規範建議採用精密圓柱直角規及特殊臂治具及量表配合完成量測。量測方法採用量表架設於主軸側邊由低至高及高至低的雙向量測,利用X軸及Z軸移動於各高度紀錄最高點數值,完成後再將量表架設於主軸另一側,在同樣高度位置量測並記錄數值。最後將此兩組數據之(最大差值-最小差值/d)=即為Z軸的Roll誤差量。

Figure 19 ISO10791-2線性Z軸Roll量測圖[9]
以下圖做說明:以特殊臂雙量表治具,將此治具固定在主軸上進行量測,紀錄五個點位數值後計算誤差。

Figure 20 由下至上等距5點量測
說明計算方式,參考下圖範例,依序由下至上紀錄五點量測數值,其讀數最大差值為4um,量表相距d=150mm,透過反三角函數計算可以得到角度誤差為5.5 arc-sec。【sin-1(0.004/150)x3600 =5.5 arc-sec】

Figure 21 線性Z軸Roll實際量測案例
此種量測Z軸滾動誤差方法因透過X軸的移動完成,故其X軸誤差會對最後量測結果造成影響,所以檢驗此項目前需先確認X軸相關幾何精度(滾動誤差)是否正常,才能減低量測誤差;若從另一角度而言,量測此項目亦可表現出X軸與Z軸同動運行間的匹配及誤差。
4.線性角度誤差對於幾何精度的影響
線性角度誤差是工具機阿貝誤差形成的關鍵所在;即是由於受到角度誤差影響使的其他幾何誤差受到阿貝原理而放大。以ISO230-1範例說明角度誤差造成線性誤差影響:可以發現當於X軸FP1點位與FP2點位的定位精度誤差值(EXX)相異,即在不同高度產生不同的量測數值,即是由X軸行進間的Pitch角度誤差所影響。

Figure 22 滑塊X軸移動示意圖[7]

Figure 23 角度Pitch誤差ECX[7]

Figure 24 不同高度的定位精度量測圖[7]
另外以大型龍門機台說明角度誤差對定位精度造成的影響,若其橫梁具有一角度誤差θ,當主軸頭於橫梁軌道行走時,可發現其加工刀尖點在不同高度其長度皆不同;假設L為橫梁光學尺長度,因受橫梁角度誤差影響,使得在工作台面長度受到影響變成L+ ΔL。

Figure 25 加工長度受到線性角度誤差影響
也由於龍門型橫梁容易受自重及主軸負載影響而產生中凹的軌道型態,故一般廠商會要求供應商將橫梁加工為中凸形狀。

Figure 26 橫梁中凸的加工設計
所謂軌道中凸形態即是考慮到當完成主軸安裝後因受本身及橫梁自重影響,理想設計則希望此負載可剛好將此軌道壓到真平,達到無角度誤差的情況,理論上此種作法可克服角度誤差以及提升機台的使用壽命。

Figure 27 考慮負載提升軌道真直度
在1979年J.B.Bryan[10]的研究指出,線性角度誤差除了會影響到實際長度之外,對於真直度亦會造成影響。用以下調整線軌的真直度案例作說明,第一種量測真直度使用直規與量表進行,此方式的量測軸線與基準線並不在同一線上,量測亦會受到角度誤差影響,最後造成真直度數值的失真,另一種方式為採用準直儀與反射鏡量測,此種量測軸線與基準線接近於同一軸線上,量測結果較接近真實真直度。

Figure 28 兩種真直度量測方法示意
5. 結論
因應近年來航太產業及汽車產業的需求,工具機製造廠以多軸化、複合化、大型化作為主要的發展方向,終端需求者驅使前端供給者加速研發,使得開發階段不斷地藉由精度檢測分析誤差來源來強化產品之精度表現。而所有的誤差皆會互相影響,當機台完成組立後儀器所能量測值很難判斷為單一誤差,故唯有在組裝時確實做好每一項精度調整,才能達到理想的同動精度與空間精度。
線性角度誤差的變化角度,雖然其誤差值很小但對加工精度影響卻很大,故是工具機空間精度的基礎,透過本文分享角度量測觀念及案例,期待國內工具機業者能有效改善現有工具機的精度,提升國內機台在國際上的競爭力。
7. 參考文獻
[1] Wayne R. Moore原著,蓀葆銓、孫樂南翻譯, 「機械準確性的基礎」,適齊出版社(1982)。
[2] http://www.wylerag.com/en/home/
[3] http://www.renishaw.com/
[4] 范光照,「精密量測」,高立出版社(2000)。
[5] https://www.haag-streit.com/
[6] International Standard, "Industrial automation systems and integration - Numerical control of machines - Coordinate system and motion nomenclature", ISO841(2001).
[7] International Standard, "Geometric Accuracy Of Machines Operating Under No-Load or Quasi-Static Conditions", ISO230-1(2012).
[8] CMD規範,「中品級立式切削中心機試驗及檢查規範」,中品級標準(1991)。
[9] International Standard, "Test conditions for machining centres - Part2:Geometric tests for machines with vertical spindle or universal heads with vertical primary rotary axis (vertical Z-axis)", ISO10791-2.
[10] J.B.Bryan, The Abbé principle revisited: An updated interpretation, Precision Engineering 1, 129–132 (1979).























