付費限定

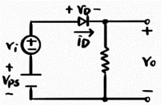
施加AC小信號的二極體電路

更新 發佈閱讀 1 分鐘
vocus|新世代的創作平台

在二極體電路中,如果同時施加 直流偏壓 (DC bias) 和 交流小信號 (AC signal),分析方法是:

以行動支持創作者!付費即可解鎖
本篇內容共 368 字、0 則留言,僅發佈於電子系專業課程入門你目前無法檢視以下內容,可能因為尚未登入,或沒有該房間的查看權限。
留言
avatar-img
電資鼠 - 您的學習好夥伴
23會員
242內容數
在當今數位時代,電資領域人才需求爆發式成長,不論是前端網頁設計、嵌入式開發、人工智慧、物聯網還是軟硬體整合,這些技術都在改變世界。而掌握 C/C++、Python、數位邏輯、電路學與嵌入式開發等大學電資領域的課程,正是進入這個高薪、高需求產業的關鍵!
2025/09/26
疊代法是分析非線性二極體電路的一種常見技巧。疊代法就是透過 猜測 → 代入 → 修正 → 再代入,逐步逼近真實解。
Thumbnail
2025/09/26
疊代法是分析非線性二極體電路的一種常見技巧。疊代法就是透過 猜測 → 代入 → 修正 → 再代入,逐步逼近真實解。
Thumbnail
2025/09/26
在講了這麼多二極體的材料、原理與特性,現在我們要將它應用在實際電路中,文中所列範例皆清楚易懂,能幫助讀者切入要點,學會分析二極體電路。
Thumbnail
2025/09/26
在講了這麼多二極體的材料、原理與特性,現在我們要將它應用在實際電路中,文中所列範例皆清楚易懂,能幫助讀者切入要點,學會分析二極體電路。
Thumbnail
2025/09/24
P-N接面二極體是一整塊單晶體,經過摻雜之後,一邊變成 p 型,另一邊變成 n 型,當 p 區和 n 區緊密接觸,就形成了 pn 接面。 本文將詳細解說P-N接面二極體之原理與內部效應,幫助徹底了解其特性。
Thumbnail
2025/09/24
P-N接面二極體是一整塊單晶體,經過摻雜之後,一邊變成 p 型,另一邊變成 n 型,當 p 區和 n 區緊密接觸,就形成了 pn 接面。 本文將詳細解說P-N接面二極體之原理與內部效應,幫助徹底了解其特性。
Thumbnail
看更多
你可能也想看
Thumbnail
這是一場修復文化與重建精神的儀式,觀眾不需要完全看懂《遊林驚夢:巧遇Hagay》,但你能感受心與土地團聚的渴望,也不急著在此處釐清或定義什麼,但你的在場感受,就是一條線索,關於如何找著自己的路徑、自己的聲音。
Thumbnail
這是一場修復文化與重建精神的儀式,觀眾不需要完全看懂《遊林驚夢:巧遇Hagay》,但你能感受心與土地團聚的渴望,也不急著在此處釐清或定義什麼,但你的在場感受,就是一條線索,關於如何找著自己的路徑、自己的聲音。
Thumbnail
本計算工具是建立在已有一份永磁馬達特性數據後,忽然想要知道更換工作電壓值後,馬達的輸出特性會有甚麼變化。原始檔案範例為24V的直流永磁馬達,想要使用18V的行動電池供電,需要了解馬達特性會有怎樣的改變。 首先可以預先判斷,由於永磁馬達的電壓與轉速成正比關係,因此本案例中的調降工作電壓勢必造成馬達轉
Thumbnail
本計算工具是建立在已有一份永磁馬達特性數據後,忽然想要知道更換工作電壓值後,馬達的輸出特性會有甚麼變化。原始檔案範例為24V的直流永磁馬達,想要使用18V的行動電池供電,需要了解馬達特性會有怎樣的改變。 首先可以預先判斷,由於永磁馬達的電壓與轉速成正比關係,因此本案例中的調降工作電壓勢必造成馬達轉
Thumbnail
定子代表著馬達當中不會運轉移動的部分,因此在生產加工上要考慮較為單純,不需要考慮旋轉時的離心力作用。除了傳統的有刷直流馬達採用了磁鐵作為定子的結構之外,其它種類的馬達都採用繞線式定子,主體結構也僅剩矽鋼片、絕緣材料及漆包線,而無刷馬達則可能加入了霍爾感測器(Hall Sensor),然定子整體而言的
Thumbnail
定子代表著馬達當中不會運轉移動的部分,因此在生產加工上要考慮較為單純,不需要考慮旋轉時的離心力作用。除了傳統的有刷直流馬達採用了磁鐵作為定子的結構之外,其它種類的馬達都採用繞線式定子,主體結構也僅剩矽鋼片、絕緣材料及漆包線,而無刷馬達則可能加入了霍爾感測器(Hall Sensor),然定子整體而言的
Thumbnail
不同於無刷馬達擁有較多的極數可能性,其他類型的馬達大多採用2極、4極為主,甚至鮮少達到6極的規格設計,有刷馬達的情況亦是相同。除了從馬達設計的觀點來看,越高速運轉的馬達,其極數配置應當越少,方可避免過多的鐵損產生之外,有刷馬達當遇到多極需求時,還有個槽滿率下降的困擾,會導致馬達效率降低。 以下圖為
Thumbnail
不同於無刷馬達擁有較多的極數可能性,其他類型的馬達大多採用2極、4極為主,甚至鮮少達到6極的規格設計,有刷馬達的情況亦是相同。除了從馬達設計的觀點來看,越高速運轉的馬達,其極數配置應當越少,方可避免過多的鐵損產生之外,有刷馬達當遇到多極需求時,還有個槽滿率下降的困擾,會導致馬達效率降低。 以下圖為
Thumbnail
背景:從冷門配角到市場主線,算力與電力被重新定價   小P從2008進入股市,每一個時期的投資亮點都不同,記得2009蘋果手機剛上市,當時蘋果只要在媒體上提到哪一間供應鏈,隔天股價就有驚人的表現,當時光學鏡頭非常熱門,因為手機第一次搭上鏡頭可以拍照,也造就傳統相機廠的殞落,如今手機已經全面普及,題
Thumbnail
背景:從冷門配角到市場主線,算力與電力被重新定價   小P從2008進入股市,每一個時期的投資亮點都不同,記得2009蘋果手機剛上市,當時蘋果只要在媒體上提到哪一間供應鏈,隔天股價就有驚人的表現,當時光學鏡頭非常熱門,因為手機第一次搭上鏡頭可以拍照,也造就傳統相機廠的殞落,如今手機已經全面普及,題
Thumbnail
本文分析導演巴里・柯斯基(Barrie Kosky)如何運用極簡的舞臺配置,將布萊希特(Bertolt Brecht)的「疏離效果」轉化為視覺奇觀與黑色幽默,探討《三便士歌劇》在當代劇場中的新詮釋,並藉由舞臺、燈光、服裝、音樂等多方面,分析該作如何在保留批判核心的同時,觸及觀眾的觀看位置與人性幽微。
Thumbnail
本文分析導演巴里・柯斯基(Barrie Kosky)如何運用極簡的舞臺配置,將布萊希特(Bertolt Brecht)的「疏離效果」轉化為視覺奇觀與黑色幽默,探討《三便士歌劇》在當代劇場中的新詮釋,並藉由舞臺、燈光、服裝、音樂等多方面,分析該作如何在保留批判核心的同時,觸及觀眾的觀看位置與人性幽微。
Thumbnail
傳統馬達會利用調整電阻值的大小,來直接限制馬達輸入電流的上限;但電阻值的增加也會導致銅損值上升,是種如同雙面刃的技法。所幸隨著電控技術的進步,馬達電流的限制工作可以轉交給驅動電路掌控,馬達僅需要盡可能地降低電阻值即可;更直白的說就是漆包線徑越粗越好,暨可以降低馬達電阻,還同時強化散熱能力,以得到更優
Thumbnail
傳統馬達會利用調整電阻值的大小,來直接限制馬達輸入電流的上限;但電阻值的增加也會導致銅損值上升,是種如同雙面刃的技法。所幸隨著電控技術的進步,馬達電流的限制工作可以轉交給驅動電路掌控,馬達僅需要盡可能地降低電阻值即可;更直白的說就是漆包線徑越粗越好,暨可以降低馬達電阻,還同時強化散熱能力,以得到更優
Thumbnail
本文是筆者在查反電動勢公式時,赫然發現並未詳細描述,故進行補完。 反電動勢的數學公式,最常出現在馬達電器方程式當中,是用來描述馬達運作時的電能狀態的數學表示式;如下列所式,其中V為馬達輸入電壓,i為馬達電流,Rm則是馬達電阻,Lm是馬達電感,di/dt代表電流對時間的微分,因為馬達電感的作用僅在電
Thumbnail
本文是筆者在查反電動勢公式時,赫然發現並未詳細描述,故進行補完。 反電動勢的數學公式,最常出現在馬達電器方程式當中,是用來描述馬達運作時的電能狀態的數學表示式;如下列所式,其中V為馬達輸入電壓,i為馬達電流,Rm則是馬達電阻,Lm是馬達電感,di/dt代表電流對時間的微分,因為馬達電感的作用僅在電
Thumbnail
變壓器在現代電子設備中扮演著重要角色,根據應用需求可分為高頻和低頻兩種類型。 高頻變壓器注重效率和體積,使用精密繞線技術和高品質材料。低頻變壓器強調穩定性和耐用性,採用矽鋼片和精密繞組設計。
Thumbnail
變壓器在現代電子設備中扮演著重要角色,根據應用需求可分為高頻和低頻兩種類型。 高頻變壓器注重效率和體積,使用精密繞線技術和高品質材料。低頻變壓器強調穩定性和耐用性,採用矽鋼片和精密繞組設計。
Thumbnail
馬達結構當中,會旋轉移動的部分,就稱為轉子;而固定不動的部分,則稱為定子。在電機產業當中,"轉子代工"一詞是針對有刷馬達的繞線轉子而言,因其組成結構較為複雜,至少包括了軸心、矽鋼片、漆包線、整流子等零配件,且加工程序除了常見的組裝配合外,還有絕緣處理、馬達繞線、整流子電焊、整流子車削、動平衡等一系列
Thumbnail
馬達結構當中,會旋轉移動的部分,就稱為轉子;而固定不動的部分,則稱為定子。在電機產業當中,"轉子代工"一詞是針對有刷馬達的繞線轉子而言,因其組成結構較為複雜,至少包括了軸心、矽鋼片、漆包線、整流子等零配件,且加工程序除了常見的組裝配合外,還有絕緣處理、馬達繞線、整流子電焊、整流子車削、動平衡等一系列
Thumbnail
這是筆者常用的馬達設計調整手法,但原意是用於馬達工作電壓變換時,更改繞線條件的計算,如110V的馬達要更改為220V的使用電壓時,需針對繞線條件進行修改。會僅變更繞線條件而非整顆馬達修改,主要是其他材料的變動成本較高,而漆包線徑的調整是馬達當中最容易的項目;因此會發現市面上不同工作電壓的馬達外觀大小
Thumbnail
這是筆者常用的馬達設計調整手法,但原意是用於馬達工作電壓變換時,更改繞線條件的計算,如110V的馬達要更改為220V的使用電壓時,需針對繞線條件進行修改。會僅變更繞線條件而非整顆馬達修改,主要是其他材料的變動成本較高,而漆包線徑的調整是馬達當中最容易的項目;因此會發現市面上不同工作電壓的馬達外觀大小
Thumbnail
5 月將於臺北表演藝術中心映演的「2026 北藝嚴選」《海妲・蓋柏樂》,由臺灣劇團「晃晃跨幅町」製作,本文將以從舞台符號、聲音與表演調度切入,討論海妲・蓋柏樂在父權社會結構下的困境,並結合榮格心理學與馮.法蘭茲對「阿尼姆斯」與「永恆少年」原型的分析,理解女人何以走向精神性的操控、毀滅與死亡。
Thumbnail
5 月將於臺北表演藝術中心映演的「2026 北藝嚴選」《海妲・蓋柏樂》,由臺灣劇團「晃晃跨幅町」製作,本文將以從舞台符號、聲音與表演調度切入,討論海妲・蓋柏樂在父權社會結構下的困境,並結合榮格心理學與馮.法蘭茲對「阿尼姆斯」與「永恆少年」原型的分析,理解女人何以走向精神性的操控、毀滅與死亡。
追蹤感興趣的內容從 Google News 追蹤更多 vocus 的最新精選內容追蹤 Google News