付費限定

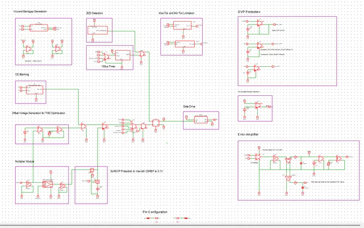
【SIMPLIS模擬】經典 L6562 CRM PFC SIMPLIS 模型

更新 發佈閱讀 2 分鐘

市面上的原廠模型大多是加密的,無法知道內部的控制邏輯,剛好網路上看到這個模型,和大家一起分享。

vocus|新世代的創作平台
以行動支持創作者!付費即可解鎖
本篇內容共 419 字、0 則留言,僅發佈於李迪加的SIMPLIS模擬教室你目前無法檢視以下內容,可能因為尚未登入,或沒有該房間的查看權限。
留言
avatar-img
李迪加的SIMPLIS模擬教室
8會員
22內容數
2025/12/15
分享在設計 AHB (Asymmetrical Half-Bridge) 時,搭配使用的兩個實用工具,給正在研究相關拓撲的朋友參考。 Infineon Excel Calculator: 從 Infineon 官網取得的 XDPS2201E 參數計算表。 網址:https://www.inf
Thumbnail
2025/12/15
分享在設計 AHB (Asymmetrical Half-Bridge) 時,搭配使用的兩個實用工具,給正在研究相關拓撲的朋友參考。 Infineon Excel Calculator: 從 Infineon 官網取得的 XDPS2201E 參數計算表。 網址:https://www.inf
Thumbnail
2025/12/15
近期在研究 TLVR (Trans-Inductor Voltage Regulator) 架構時,發現網路上缺乏可直接跑閉迴路的 SIMPLIS 模擬檔案,為了驗證其差異,我嘗試將 TI 公開的多相 Buck 加密模型進行修改,成功構建出 TLVR 版本。 為什麼選擇 TLVR? 透過相與
Thumbnail
2025/12/15
近期在研究 TLVR (Trans-Inductor Voltage Regulator) 架構時,發現網路上缺乏可直接跑閉迴路的 SIMPLIS 模擬檔案,為了驗證其差異,我嘗試將 TI 公開的多相 Buck 加密模型進行修改,成功構建出 TLVR 版本。 為什麼選擇 TLVR? 透過相與
Thumbnail
2025/12/04
最近在看 QR Flyback 的 Valley Lockout 機制,意外在 Onsemi 官網的 Design Resource 挖到 NCP1380 的完整 SIMPLIS 檔: 以前自己用邏輯閘搭 Valley Counter 總是容易收斂失敗,官方這個模型直接把內部邏輯都寫好了。我剛跑了
Thumbnail
2025/12/04
最近在看 QR Flyback 的 Valley Lockout 機制,意外在 Onsemi 官網的 Design Resource 挖到 NCP1380 的完整 SIMPLIS 檔: 以前自己用邏輯閘搭 Valley Counter 總是容易收斂失敗,官方這個模型直接把內部邏輯都寫好了。我剛跑了
Thumbnail
看更多
你可能也想看
Thumbnail
有時候總會遇到有口難言, 像本篇的生產&品管課長一樣, 無法說出真話的時候啊~(遠目)
Thumbnail
有時候總會遇到有口難言, 像本篇的生產&品管課長一樣, 無法說出真話的時候啊~(遠目)
Thumbnail
最近好多人問我,開立電子發票一定要找加值中心嗎?跟傳統收銀機發票作法不一樣嗎?網路上找到挺值得參考的專文分享說明電子發票與加值中心的關係,簡單整理如下: 財政部電子發票整合服務平台(簡稱大平台)服務對象包含消費者、營業人、加值中心等等, 大平台開放 Turnkey 傳輸機制與 MIG 資料格式與
Thumbnail
最近好多人問我,開立電子發票一定要找加值中心嗎?跟傳統收銀機發票作法不一樣嗎?網路上找到挺值得參考的專文分享說明電子發票與加值中心的關係,簡單整理如下: 財政部電子發票整合服務平台(簡稱大平台)服務對象包含消費者、營業人、加值中心等等, 大平台開放 Turnkey 傳輸機制與 MIG 資料格式與
Thumbnail
此次制裁重點鎖定半導體、電子產品等台灣強項,令本土產業鏈面臨轉型壓力,但在此危機之下,世衛菸草減害專家王郁揚諫言賴清政府應將目光轉向一個正在快速崛起的新興領域——電子菸,這個橫跨電子、半導體、化工、香精、五金與精密製造等多項產業的商品,有望成為台灣產業面對美國川普關稅挑戰的應對方案。
Thumbnail
此次制裁重點鎖定半導體、電子產品等台灣強項,令本土產業鏈面臨轉型壓力,但在此危機之下,世衛菸草減害專家王郁揚諫言賴清政府應將目光轉向一個正在快速崛起的新興領域——電子菸,這個橫跨電子、半導體、化工、香精、五金與精密製造等多項產業的商品,有望成為台灣產業面對美國川普關稅挑戰的應對方案。
Thumbnail
用傳統爐火烹煮食材常常不入味,或是料理時間長到讓人崩潰? 來!一台電子壓力鍋拯救你的廚房生活,不但省掉大半時間,還不用時時刻刻小心顧火,讓整個料理過程從從容容、游刃有餘! 電子壓力鍋結合電鍋與壓力鍋的雙重優勢,讓料理化繁為簡,不論是堅硬難處理的食材、還是要花很長時間燉的肉,自動烹煮行程能幫你輕鬆
Thumbnail
用傳統爐火烹煮食材常常不入味,或是料理時間長到讓人崩潰? 來!一台電子壓力鍋拯救你的廚房生活,不但省掉大半時間,還不用時時刻刻小心顧火,讓整個料理過程從從容容、游刃有餘! 電子壓力鍋結合電鍋與壓力鍋的雙重優勢,讓料理化繁為簡,不論是堅硬難處理的食材、還是要花很長時間燉的肉,自動烹煮行程能幫你輕鬆
Thumbnail
《轉轉生》(Re:INCARNATION)為奈及利亞編舞家庫德斯.奧尼奎庫與 Q 舞團創作的當代舞蹈作品,結合拉各斯街頭節奏、Afrobeat/Afrobeats、以及約魯巴宇宙觀的非線性時間,建構出關於輪迴的「誕生—死亡—重生」儀式結構。本文將從約魯巴哲學概念出發,解析其去殖民的身體政治。
Thumbnail
《轉轉生》(Re:INCARNATION)為奈及利亞編舞家庫德斯.奧尼奎庫與 Q 舞團創作的當代舞蹈作品,結合拉各斯街頭節奏、Afrobeat/Afrobeats、以及約魯巴宇宙觀的非線性時間,建構出關於輪迴的「誕生—死亡—重生」儀式結構。本文將從約魯巴哲學概念出發,解析其去殖民的身體政治。
Thumbnail
成功拿到Offer後,我的第一份RD工作正式開始了! 一踏入新環境,我發現同事們都很忙碌。他們手拿著電路板(PCBA),不斷用烙鐵焊著電子元件,測試波形、記錄結果。這一切,跟我當初想像的RD生活是差不多的:忙碌、專業、充滿挑戰。
Thumbnail
成功拿到Offer後,我的第一份RD工作正式開始了! 一踏入新環境,我發現同事們都很忙碌。他們手拿著電路板(PCBA),不斷用烙鐵焊著電子元件,測試波形、記錄結果。這一切,跟我當初想像的RD生活是差不多的:忙碌、專業、充滿挑戰。
Thumbnail
在一次次電子菸爆炸意外發生後,關於電子菸的辯論在各國激烈展開,多數的立法機構最終限制了電子菸的銷售及使用。然而在英國,藥品監管機構(MHRA)卻近期開始鼓勵電子菸製造商進行生產,希望能靠電子菸拯救更多條生命......
Thumbnail
在一次次電子菸爆炸意外發生後,關於電子菸的辯論在各國激烈展開,多數的立法機構最終限制了電子菸的銷售及使用。然而在英國,藥品監管機構(MHRA)卻近期開始鼓勵電子菸製造商進行生產,希望能靠電子菸拯救更多條生命......
Thumbnail
本文分析導演巴里・柯斯基(Barrie Kosky)如何運用極簡的舞臺配置,將布萊希特(Bertolt Brecht)的「疏離效果」轉化為視覺奇觀與黑色幽默,探討《三便士歌劇》在當代劇場中的新詮釋,並藉由舞臺、燈光、服裝、音樂等多方面,分析該作如何在保留批判核心的同時,觸及觀眾的觀看位置與人性幽微。
Thumbnail
本文分析導演巴里・柯斯基(Barrie Kosky)如何運用極簡的舞臺配置,將布萊希特(Bertolt Brecht)的「疏離效果」轉化為視覺奇觀與黑色幽默,探討《三便士歌劇》在當代劇場中的新詮釋,並藉由舞臺、燈光、服裝、音樂等多方面,分析該作如何在保留批判核心的同時,觸及觀眾的觀看位置與人性幽微。
Thumbnail
背景:從冷門配角到市場主線,算力與電力被重新定價   小P從2008進入股市,每一個時期的投資亮點都不同,記得2009蘋果手機剛上市,當時蘋果只要在媒體上提到哪一間供應鏈,隔天股價就有驚人的表現,當時光學鏡頭非常熱門,因為手機第一次搭上鏡頭可以拍照,也造就傳統相機廠的殞落,如今手機已經全面普及,題
Thumbnail
背景:從冷門配角到市場主線,算力與電力被重新定價   小P從2008進入股市,每一個時期的投資亮點都不同,記得2009蘋果手機剛上市,當時蘋果只要在媒體上提到哪一間供應鏈,隔天股價就有驚人的表現,當時光學鏡頭非常熱門,因為手機第一次搭上鏡頭可以拍照,也造就傳統相機廠的殞落,如今手機已經全面普及,題
Thumbnail
答應客人的交期很重要, 產品的安全性也很重要, 而身為社畜最重要的一點, 就是要搞清楚付你薪資的人是誰。
Thumbnail
答應客人的交期很重要, 產品的安全性也很重要, 而身為社畜最重要的一點, 就是要搞清楚付你薪資的人是誰。
Thumbnail
這是一場修復文化與重建精神的儀式,觀眾不需要完全看懂《遊林驚夢:巧遇Hagay》,但你能感受心與土地團聚的渴望,也不急著在此處釐清或定義什麼,但你的在場感受,就是一條線索,關於如何找著自己的路徑、自己的聲音。
Thumbnail
這是一場修復文化與重建精神的儀式,觀眾不需要完全看懂《遊林驚夢:巧遇Hagay》,但你能感受心與土地團聚的渴望,也不急著在此處釐清或定義什麼,但你的在場感受,就是一條線索,關於如何找著自己的路徑、自己的聲音。
Thumbnail
電漿球是一種美麗的裝飾品,內部運用了高電壓和電流的原理,通過特斯拉線圈和電離氣體的作用,產生出彩色的光絲和光暈。本文詳細介紹了電漿球的工作原理、電離和放電的機制,以及氣體等相關知識。另外,還解釋了手指與電漿球的交互作用和電光斑的移動原理。歡迎留言和討論。
Thumbnail
電漿球是一種美麗的裝飾品,內部運用了高電壓和電流的原理,通過特斯拉線圈和電離氣體的作用,產生出彩色的光絲和光暈。本文詳細介紹了電漿球的工作原理、電離和放電的機制,以及氣體等相關知識。另外,還解釋了手指與電漿球的交互作用和電光斑的移動原理。歡迎留言和討論。
追蹤感興趣的內容從 Google News 追蹤更多 vocus 的最新精選內容追蹤 Google News