重回 DAC 時基重整(I) -- 2013.11.10

本次的主角 DAC
與轉盤共用 clock
有好長一段時間大多以聽 LP 為主,轉盤與 DAC 也幾乎不管它們了,這台 DAC 跟了我好多年,數位接收晶片為 CS8412,數位濾波則是 DF1700,DAC 晶片則為 PCM63,期間經過多次大小的修改,包括數位、類比與電源等等,最後一次修改是用自己 layout 的板子(TCXO-PLL-Reclock-DSIX)以 TCXO 與 PLL 電路將 clock 送入 DF1700 作為 system clock,省略了對輸入至 PCM63 的 clock 與 data 進行 reclocked。
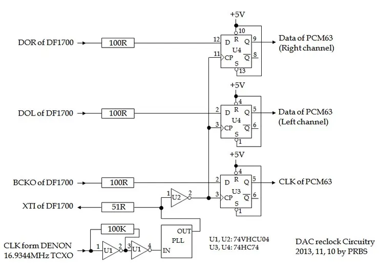
下面的電路圖是此次的改機電路,包括兩個部分:clock 與 reclocked。DAC 的 clock 則是來自於轉盤,免除了數位接收晶片對於來自於轉盤 SPDIF 訊號中的 clock 造成 jitter,也就是說此時 CS8412 只需負責接收 data 的工作;另一方面,也避免兩種不同時基同時運作在同一系統中。
此次的 reclocked 電路

PLL 電路部分
為了讓 DAC 與轉盤共用 clock,我將 DF1700 clock 由原來的 256Fs(256 x 44.1KHz, 11.2896MHz)改為 384Fs,也就是 16.9344MHz,轉盤內的 TCXO 經過兩次 74VHCU04 反向器送出至 DAC,而傳輸 clock 所用的線材則是多年前向日本購買的 0.4mm 單蕊鍍銀線,披覆透明鐵氟龍外層,我以雙線互絞,一條作為 clock 訊號線,另一條則為屏蔽線;我試過其他線材,但搭配的是 RCA 接頭,以示波器觀察,效果不好,最後並未採用任何接頭,而是直接使用排針,這是以手邊材料試過最好的結果。

轉盤至 DAC 的 clock 傳輸是以 0.4mm 鍍銀線雙線絞繞

位於轉盤內的 TCXO-PLL-Reclock-DSIX 電路,TCXO 經過兩次 74VHCU04 反向器送出至 DAC
在用耳朵試聽前,我一一將 clock 波形以示波器觀察,有不滿意就會做些調整,過程還算順利,最大的問題就是前面提到的,如何將 16.9344MHz 時基傳送至 DAC 而不造成波形變差。
但結果確是出乎意料的好,僅僅是將 DAC clock 移除,並以轉盤內的 clock 取代,完全不誇張,聲音非常好,音樂場面表現的非常和諧與平順,沒想到聽 CD 也可以像聽 LP 般的輕鬆,這是第一階段的試聽。

來自於轉盤的 clock 先經 PLL 後再送入 DF1700 XTI

這是轉盤內 TCXO 波形(示波器探棒切換在 x10 位置)

這是傳輸至 DAC 內的 clock 波形(示波器探棒切換在 x10 位置)

這是送入 DF1700 XTI clock 波形(示波器探棒切換在 x10 位置)
Reclocked 上場
其實我對 reclocked 的經驗(結果)並不好,過去曾在這台 DAC 上將所有送入 PCM63 的 clock 與 data 進行 reclocked,雖然聲音有所改善,但總覺得全面性不夠,當時的問題出在電源,所以才會有之後的 回歸起點的 DAC 改機。從那之後,針對數位部分,我也只是加入 TCXO 與 PLL 電路,對於 reclocked 也不再有興趣製作。
幾經思考,應該是過去在進行 reclocked 時 DAC 的基礎不好(電源),以及 reclock 架構不對(multiple clock sources),如今已改了電源,再加上由轉盤到 DAC 僅有單一時基來源,應該可以在此基礎上再重新試試 reclocked。

Reclocked 電路
我僅對 DF1700 輸出的 BCKO、DOL 與 DOR 進行 reclock,並未對 WCKO 作 reclocked,在進行前先以示波器觀察它們,WCKO 的波形最清楚,理論上我認為它的 jitter 最低,而最需要作 reclock 的是 BCKO,DOR 與 DOL 也有改善空間,這是為什麼未對 WCKO 作 reclocked 的原因。
對照 reclocked 電路,BCKO 與 DOL/DOR 是個別以一顆 74HC74 進行 reclocked ( U3, U4 ),而 U3 與 U4 分別以兩組 LM317 供電,U2 則是與 U3 共用電源。各位可以比照下面的照片,經過 reclocked 前後的 BCKO 的波形,reclocked 後的波形變得清晰了,大幅改善了 jitter,照片中的波形是我的示波器能顯示的最大波形,若能進一步放大波形,更能凸顯 jitter 的差異。

這是 reclocked 的部分,這塊板子以前曾經拿來製作過 PLL 電路

Reclocked 前的 BCKO,在波形上升與下降部分還蠻模糊的,這就是 jitter(示波器探棒切換在 x10 位置)

Reclocked 後的 BCKO,波形變得清晰了,大幅改善了 jitter(示波器探棒切換在 x10 位置)
改完 BCKO 後立刻進行第二階段試聽,聲音表現繼續向上提升,音樂場面表現得非常和諧與平順,空間感、細節與定位有著大幅的進步,消除了聆聽某些曲子時讓人產生的煩躁感,並不是高頻被壓抑,反而是頻寬變好了,音樂聽來非常舒服。
最後就是 DOL 與 DOR 了,我們直接看結果,這裡僅記錄 DOR,因為它與 DOL 結果是一樣的。DOR 是在播放 CD 時的波形,未播放 CD 時不會產生眼圖,無法比較。Reclock 後的 DOR 眼圖更漂亮,有著更快的上升與下降時間,duty cycle 也幾乎在 50% 的位置,用眼睛也可以辨別 reclock 後的 jitter 也有改善。(就是交叉位置在時間軸上的寬度)

Reclocked 前的 DOR(示波器探棒切換在 x1 位置)

Reclocked 後的 DOR(示波器探棒切換在 x1 位置)
進行第三階段也是最後階段的試聽,聲音場面依舊和諧平順,空間感仍然有進步,細節變得更多,尤其是頻寬,讓我首次覺得聆聽 CD 時的頻寬可以有接近 LP 的表現。最後更新一下 PCM63 之後所用的 OP 與電源。

I/V 轉換用的是 AD844,之後以 RC 元件作濾波,最後以 AD825 作為 buffer

LT1085 / LT1033 三端子穩壓提供 +/-15V 給 AD844 與 AD825

























