
The Phonoclone -- MC 唱頭放大器
The Phonoclone
源自 47 Labs 的 Phonoclone,應該不用我介紹了,多年前在 RJM 上看到時就用洞洞板試作一組,結果相當滿意,後來自己畫起 PCB,在討論區發起團購,造成一陣風潮,如今在美國 diyAudio 上還是很紅,非等閒之輩。
其實私底下自己在 phonoclone 上也是默默地鑽研嘗試,改電源、試 OP、試交連電容等等,但總是餵不飽自己對於聲音要求的滿足,直到做了兩項重要的修改。
Phonoclone 內部
DC Servo 加入
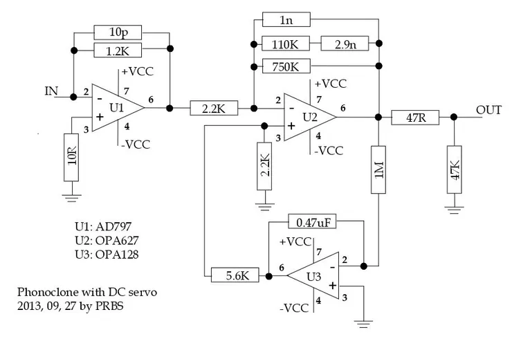
電路放大與 RIAA 部分基本上與 RJM 網站上的並無太大差異,最大的差別是 47 Labs 使用交連電容,而我則是使用 DC Servo,因為 Phonoclone 兩級都是反向放大器,也就順勢搭配反向積分器,簡化線路與減少零件。當時在思考如何下手時,無意間在網路上找到一篇趙建雄先生寫的《直流伺服環路的設計》,是一篇不錯的文章,值得細細研讀。
第一級回授電阻為 1.2K,輸入電阻即為唱頭的內阻,我的 Dynavector XX2 唱頭內阻為 6 歐姆,所以第一級增益為 200 倍 ( 46dB ),第二級依據 RJM 上的公式計算,約為 30dB,總增益為 76dB。您可以根據唱頭內阻,選擇適合的回授電阻值,定出適合自己系統的放大倍率。

Phonoclone 電路圖,並加入 DC Servo
這個電路的另一個重點就是 DC Servo,老實說我並不是 DC Servo 的擁護者,這東西在網路上的評價是褒貶不一,之前曾用 Auricap 4.0uF PP 作為交連電容聽了很長一段時間,Auricap 是不錯的電容,聲音很均衡,但還是不滿足,你知道,我輩 Diyer 在有限的能力範圍內總想嘗試其他的想法,於是將腦筋動到了 DC Servo上。全機百分之七八十的花費都在這 DC Servo 上了,OP 用的是 OPA128SM,當初跟著網路團購買的,找不到適合它的地方,放在零件櫃裡好多年,最後竟然用在 DC Servo 上,真是沒想到。
DC Servo 上另一個致命武器是 Duelund 0.47uF CAST PIO 銅箔電容,我不是一開始就用這電容,而是 Auricap 0.47uF PP 電容,為什麼要換 Duelund?還是一樣的理由 -- 不滿足。同樣使用 Auricap 電容,使用 DC Servo 比起單純用 Auricap 當交連電容,在聲音表現在上確實進步很多;而 Duelund 的加入,就像是品嘗紅酒時,把杯子從保溫杯換成紅酒杯 -- 色香味俱全。

AD797AN負責第一級,OPA627BP 為第二級,回授電阻為 Vishay Z201,RIAA 網路用的是 Philips PS 電容。IC 已直接焊在電路板上了,已經不能享受換 OP 的樂趣了

DC Servo 是用早期 DZ 的板子修改,OP 用的是 OPA128SM

DC Servo 電容為 Duelund 0.47uF 紙質油浸銅箔電容
穩壓電路
這部分基本上與 OP 前級 Part 6 穩壓是一樣的,僅零件上的選擇有些許差異,濾波電容上並的是 MIT 10uF PPMFX 以及 WIMA 0.1uF/400V MKP10 電容,穩壓輸出用了一對美製 UCC 藍皮 47uF / 450V 電容。在 OP 前級 Part 6 中提到穩壓電源簡化,其實是先應用在 Phonoclone 穩壓上,得到正面的結果後才回去修改 OP 前級電源。

穩壓電路圖

使用 LT 的 LM317/LM337,穩壓輸出後僅並了一對美製 UCC 藍皮 47uF/450V 電容
如果您是 LP 愛好者的 Diyer,強烈建議試試加上 DC Servo 的 Phonoclone;至於是否要上 Duelund CAST PIO,還是小心謹慎,免得上癮。










