** 3C機構設計爸版權所有 **
機構(機械)製圖(2D)圖學是不可或缺的觀念什麼叫製圖圖學? 在機構設計領域裏,製圖圖學是除了3D設計之外的一門重要知識。現在的機構設計人員缺乏了製圖圖學的相關知識, 所以在2D圖上面只有標示尺寸, 但是不知道要如何表達、如何精確的規範各種特徵的要求, 如何管制加工件、模具件的生產品質。 所以機構設計2D圖經常出現爭議. 圖學難嗎? 讓3C機構設計爸帶領各位了解圖學的全貌........
機構設計2D圖的表達能力:「製圖圖學」的本質
在機構設計領域裡,製圖圖學是除了3D建模之外的一門關鍵知識。現在的設計人員大多熟悉3D軟體,能快速建立外觀與結構,但在2D圖面上卻常出現「會畫但不會表達」的狀況。圖面上雖有尺寸、註記與幾何形狀,但卻無法清楚傳達設計意圖,也無法讓加工、檢驗、組裝人員充分理解。這就是現今許多設計部門經常發生的問題——圖面溝通障礙。
1. 什麼叫「製圖圖學」?
簡單說,圖學就是「用圖面表達立體的語言」。
它是一套讓設計師、加工人員、檢驗人員能用「共同語言」理解零件幾何特徵的系統。從投影法、剖視圖、斷面圖,到尺寸、公差、表面粗糙度、幾何公差……這些都是圖學的核心要素。
製圖圖學的目標,不只是畫出漂亮的圖,而是準確地傳達設計要求。換句話說,圖學是一種「語法」,它規定了每一條線、每一個符號的意義。當你懂了這個語法,你畫的圖別人才能「讀得懂」。如果只會3D建模而不懂圖學,就像會說話但不懂文法,容易導致誤解與錯誤。
2. 為什麼圖學這麼重要?
在實際產品開發中,2D圖往往是最終交付給生產單位的依據。 模具、治具、加工、檢驗報告都依照2D圖執行。若圖面表達不明確,後果非常直接:
** 加工件尺寸誤差:尺寸標註不合理,導致零件配合鬆緊不一。
** 模具修改次數增加:因設計意圖未清楚表達,模具重修或調整時間拉長。甚至造成重新開模的狀況
** 檢驗基準不一致:不同人理解不同,造成品質爭議與返工。
** 設計審查混亂:審查會上各部門無法以圖面為共識基礎,浪費時間。
因此,具備完整圖學能力的設計師,能在開發初期就明確定義出「尺寸基準鏈」、「公差疊加關係」、「公差分析」與「功能尺寸」,這才是高階機構設計人員應具備的實力。
3. 圖學的三大核心能力
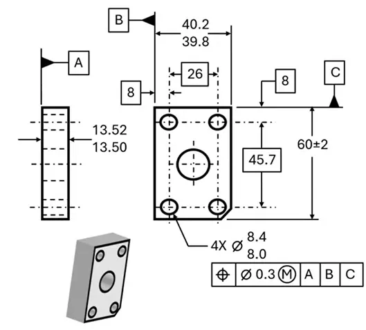
3-1. 正投影與空間思考能力: 圖學的第一步是學會用2D表達3D。懂得如何將立體結構以正投影方式分解,才能在圖面上準確呈現實體關係。這是讓設計圖「可被製造」的第一關。
3-2. 尺寸與公差的合理標註: 尺寸不只是數字,它是「設計功能」的延伸。好的設計圖,尺寸鏈能明確反映產品的關鍵特徵。當你懂得如何運用「基準」、「幾何公差」、「包容原則」與「獨立原則」時,圖面就能精確規範出允收範圍,確保產品在功能上無誤差。
3-3. 設計意圖的圖面化表達:圖面是工程語言的最終形式。設計師要能透過視圖、剖面、細節放大圖及註記,完整表達「為什麼要這樣設計」。當你的圖能讓製造與品保人員一眼看懂,你的設計溝通力就成功了。
4. 常見的圖學問題
許多工程師在實務上常犯的錯誤包括: 沒有建立正確的基準順序、尺寸重複標註或遺漏關鍵尺寸、不了解形位公差符號的實際含義、只用 ±公差,而不會用幾何公差控制、剖視圖畫錯方向或線型使用錯誤....等等,這些問題都會造成2D圖「不具生產力」,看似完整卻無法直接加工,或是讓下游單位誤解。而這些錯誤的根源,就是缺乏「圖學」的訓練。
5. 圖學,其實不難:
很多人以為圖學是老一輩工程師才懂的東西,或是學校課本上的理論。其實不是。圖學是讓你的設計更有說服力、更具可實現性的工具。在我多年教學與顧問經驗中發現,當工程師理解了圖學背後的邏輯後,2D圖的品質會大幅提升。例如:
5-1.明確定義基準鏈 → 加工誤差可預期
5-2.正確標註公差 → 減少模具修改
5-3.合理的剖視與視圖 → 讓審查更直覺
5-4. 對應GD&T → 讓產品符合國際標準
一張好的2D圖,就是工程師的「設計證據」。它不僅是生產的依據,更是溝通的橋樑、品質的保證、專業的象徵。
6. 圖學是設計的靈魂:
3D建模只是表象,圖學才是設計的靈魂。沒有圖學的設計,如同沒有語法的語言,只會讓人誤會你的本意。在這個自動化與AI輔助設計的時代,唯有懂得用圖面清楚表達設計意圖的工程師,才能真正被信任。
如果你也想強化自己的圖學實力,讓我們一起從「看得懂」走向「畫得對」。
讓3C機構設計爸,帶你重新認識「製圖圖學」。
上課預約及繳費 https://calendly.com/tomdaddydesign/course
IG https://instagram.com/tomdaddydesign/
Facebook https://www.facebook.com/tomdaddydesign
參考文獻: 網路照片


























