Pass Lab Aleph 5 Clone 裝機報告
話說當時看了 PRBS 兄的 Aleph 2 裝機報告後, 實在是羨煞小弟, 因為除了管機之外, 從未玩過國內 DIY 套件以外的玩具....也因為有 PRBS 兄幫忙 Layout PCB 才有辦法裝起這部還不算小的傢伙!
首先先介紹一下廠機的規格...Gain 20 dB balanced
Freq. Response - 3 dB at 0.3 Hz, -3 dB at 100 KHz
Power Output 60 watts/ch 8 ohms
Distortion (1KHz) <1%THD
Output Impedance 0.1ohm
Input Impedance 10 Kohm unbalanced
25 Kohm differential
Input CMRR > -50 dB Typical
Power Consumption300 wattsDimensions 12 " W x 12" D x 10.5" H
Shipping Weight 60 lb.
A 類 60W 輸出,僅能算是中小功率等級,但是在 A 類大電流輸出下,要推動一般的落地喇叭也是輕輕鬆鬆了!底下的尺寸與重量僅供參考,這不是咱好奇的地方!

這張照片是在農曆年前尚未完工時測試的照片,當時繞製的變壓器尚未交貨,只好先拿 Aleph 2 的頂著用先~~ 一顆供應兩個聲道使用

濾波電容使用每聲道預計使用四顆 RIFA PEH200 10000uF/100V,採雙橋整流,一來似乎發燒一點,二來也可以降低整流子的負荷....當時因為僅有一個變壓器,所以只好讓兩個聲道共用電源,所以是八顆 10000uF 的電容並聯濾波!! 當時測試時把橋整鎖在與電容固定的壓克力板上,但在大電流的情況下,橋整的溫度實在也不低

訂製的變壓器也已經完工,也是向台南凌凱訂的,規格是 0-35V x 15A 兩組,所以開始裝箱了,橋整就直接鎖在機箱的底板上,以利散熱,大功率的情形下,配線免不了得用上粗一點的,所以多半都以端子接合,若測試完畢,記得用鉗子把端子的接合點壓緊,以免哪一天鬆開了發生悲劇

大功率變壓器加上大容量的電容,開機瞬間的電流會很可怕,所以也加上了 Thermistor 吸收開機的瞬間電流,這裡用上的是 CL-30,算是 CL-60 的大哥,常溫下內阻約 5R,耐電流為 8A

原本是打算將變壓器分開水平擺放,但後來發現會太靠近主線路的 BIAS 板,所以只好把兩顆變壓器疊著固定啦,當時自己弄了這批電容回來時,發現屁股長了一根螺絲,是固定用的,後來有網友告知那根螺絲是和電容的負極導通的,若是在雙橋整流的場合,就不可以一起鎖在導體上。後來只好去切一塊壓克力板,將電容鎖在壓克力板上,再將壓克力板用銅柱墊高,不和機殼直接接觸,以免短路

並聯電容時,是去切了約 2mm 厚的高導電銅板來並聯,據說這樣可以降低電源的內阻?螺絲也是特地去挖來的純銅螺絲,電源線的選擇還是安全第一,不管發不發燒了,線徑選比較粗的較為保險

板子上的零件多半都是拿手上有的材料先用上,電阻有 Dale 的 RN65D、Holco H4以及 Dale 的色環電阻。比較值得注意的地方是右側兩個靠得較近的 MOS, 必須精準的配對,這關係到最後輸出端的輸出直流大小,可以的話盡量配對在 0.01V 以內, 配對的方法在 PRBS 兄的 Aleph 2 後級仿製一文中有提及,就不多加描述了。小功率晶體是使用 Motorora 的 MPS8099,這幾顆電晶體可以使用泛用的 NPN 電晶體代替,廠機使用的是 MPSA18

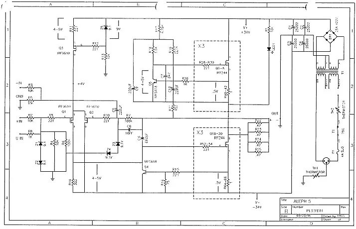
Aleph 5 的線路圖,施工之前最好可以拿出線路圖對照施工,避免零件的數值弄錯或者接錯

板子一樣是 PRBS 兄幫大家送洗的,因為板子是設計給 Aleph 2 專用的,有些零件的數值和數量就得更動一下。從線路圖當中可以看到, Alpeh 5 的輸出端僅有並上四根 0.47R 的電阻,因為使用的是 0.5R,所以並了五根上去,220uF 電解電容使用了 Spragure 105 度 C 品種的,這部份影響聲音不大,只要耐壓夠就可以放心的用上去。上方那根碳膜電阻原來是使用 10K,但後來使用 5mm 的藍光 LED, 發現沒辦法點亮,手上剛好有幾個阻值,就慢慢測試哪種比較剛好,這裡用上的是 2.5K。線路中的 R19 是偏流調整電阻,後來換上 500K 25 轉可變電阻,方便調整

Aleph 1.2、2、3、4、5 的線路架構都完全一樣,差別在於輸出功率不同,並聯輸出 MOS 的數量也不同,還有當中的零件有些數值不同而已,其他幾乎都沒有變動,這裡有張抄自對岸同志的 Aleph 系列各型號零件的異動表,各位可以參考一下

為了縮短輸出板與主板配線的長度,只好把主板也一並固定在散熱片上,不過這樣也會讓輸出 / 入訊號路徑的長度增加,但是總比全部的線都拉得長長的還好

輸入部份的訊號強度較小,較容易受到干擾,所以就把訊號線與地線絞合,若再貼上銅箔膠帶蔽屏下地則會更好。輸出端因為訊號已經過放大,較不容易受干擾,所以就直接拿兩股 OCC 銅線拉到喇叭保護器,再拉到喇叭端子。有些朋友可能覺得安裝喇叭保護器會影響音質,但是弟以為犧牲一點音質總比把喇叭燒壞還划算吧!而且 Relay 接點的品質比一般的搖頭開關應該好上不少

這就是整體配置的狀況了,到這裡已經可以上電開唱了


因為目前手上沒有平衡輸出的前級,所以並沒有安裝 XLR 端子,當然也把 -In 與 Gnd 端短路,提高增益。若不短路的話,就得搭配增益較大的前級,以免出來的聲音像貓叫~~ 等 Blanced Zen Line Stage 完工之後再考慮加上 XLR 輸入功能,到時免不了又得弄個切換的功能了

聽感
目前使用的喇叭為 Rogers LS 8a / 2, 稱不上啥好喇叭~~
使用也有一段時間,雖然解析度並不是非常高班,但整體還算不錯,可以輕鬆的聽音樂!!完工之後曾經使用兩部真空管前級搭配,音色和之前使用的 A-15 頗為近似,透明、解析度高!!
後來也曾經將這不算小的傢伙,搬到一位朋友那,推他的 Dynaudio Contour 1.8MK2,Dynaudio 的喇叭聽說是出名的難推,原本很擔心是否會因為功率不足而有些軟腳,帶著有點害怕的心情,將他的 Sonic Frontiers SFL-1 前級接上,然後把喇叭線接上後級,然後拿出一張較為暴力的交響樂... 嘿~~ 先前的擔心一掃而空!!
高頻可以說很 OK,該有的都有,但不刺耳,中頻比主人原先使用的 馬麥克 DNA-1 (150W 後級)還厚聲一些,低頻的控制力是超乎想像的好!不會因為場面變大而整片糊在一起,聽到這裡算是對它十分滿意了!唯一覺得稍有不足的地方.... 覺得低頻似乎下潛得不夠深,但是否因為功率較小的原因?還是因為 RIFA 電容本身的音色走向?
在測試時,也曾經在濾波電容並上一顆 UCC 0.1uF 革新版 電容,一上電之後....靠~~ 低頻敲擊的力量實在驚人,很好奇 UCC 兄這顆電容到底有啥神奇的地方!不過自己並不很喜歡這種走向,所以後來又拔掉了!
以上....供有心組裝 Aleph 系列後級的朋友參考,雖然 Aleph 系列的機器看起來似乎很複雜,陣仗頗大,但實際裝機時,覺得還不算難搞,只要零件的極性別搞錯了,MOS 配對準確,就幾乎接近成功的地步了!
下一個計畫則是打算跟進 PRBS 兄的腳步,拿 Aleph 1.2 開刀,為升級喇叭提前作好準備!^^
























