重回 DAC 時基重整(II) -- 2013.11.29

DAC 搬家了
DAC 換新家了
為了想繼續在這台 DAC 上玩些其他的東西,我將 DAC 移至多年前的 BZLS 前級機箱內,這機箱夠大,高度也夠,變壓器採直立擺置,節省許多空間。

DAC 內部照片

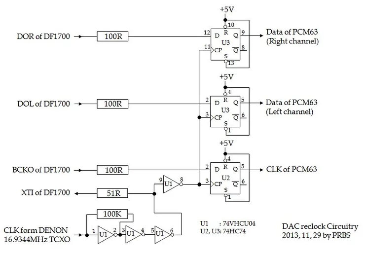
修正後的 reclocked 電路

Reclocked 電路特寫

依舊使用兩顆變壓器,分別供應數位與類比電源

為了修飾機箱音量旋鈕的孔洞,找了一個小旋鈕塞入,在上面鑽孔後裝入 CD 訊號鎖定燈
DAC 輸出 buffer
交直流梁老的 Chorus 前級放在手邊應該有十多年了,一直找不到適合它的地方,DIY 前輩應該都知道它是單增益前級,輸入使用 NPD5566 / AH5020 FET,輸出為 ZTX653 / ZTX753,至於最新的 Chorus 前級的用料,就不清楚了。以前曾經試過作為 OP 前級的輸入 buffer,效果並不好,也曾想拿來作為 DAC 輸出級,無奈 DAC 機箱太小。

DAC 輸出電路,I/V 轉換為 AD844,兩階 RC 濾波,再加上 Chorus 作輸出 buffer

以 Chorus 作輸出 buffer
DAC 移入新機箱後,經試聽後一切沒問題,現在終於有空間試試 Chorus 前級,因為我並不喜歡原 Chorus 上的穩壓,索性將穩壓分割移除,直接以 DAC 內 LT1085/LT1033 供電,也同時供應 I/V 轉換所用 OP 的電源,原交連電容為 RIFA PHE450 4.7uF/400V,我將它換成 Auricap 4.0uF/450V PP 電容。順便一提,因為是作為 DAC buffer,我移除了 Chorus 板子上的輸入與輸入下地電阻。

移除 Chorus 前級穩壓,直接以 LT1085/LT1033 供電
DAC 輸出 buffer 這個位置一直都是由 OP 擔任,印象最好的是 AD825 與 AD843 這兩顆,AD825 動態與聲音頻寬表現最好,音場龐大,低頻快速不拖泥帶水,聲音線條稍細,但絕不薄聲。至於 AD843, 相較於 AD825 則稍為內斂一些,低頻稍慢但量感較多,取捨之間還是要看系統搭配。
至於以 Chorus 作為 buffer,它的表現可說是在 AD825 與 AD843 之間取得一個平衡,但聽感與 OP 有很大的不同,該怎麼形容呢?是一種很質樸簡單的聲音,樂器的擬真度很高,擁有高貴的氣質。
再次更動 -- 2013.12.02
這幾天聽了各式的音樂,在我的系統上,Chorus 表現得太過精準與一絲不苟,音樂聽起來覺得有些生硬,少了些感情,最終還是把 Chorus 請出 DAC,忙了幾天又回到 AD843 身上,DIY 就是這樣,總要自己試過才知道,換回 AD843 後,音樂的律動與流暢感也回來了。

更新DAC 輸出電路,I / V 轉換為 AD844,兩階 RC 濾波,buffer 為 AD843。

輸出 buffer 拿掉 Chorus 換回 AD843

AD843KN

I/V 仍維持 AD844
另外關於 reclocked 電路,原來我已經將 clock、74VHCU04 與 74HC74 放在同一塊板子上,透過示波器發現 74HC74 會有些許影響 clock 波形,最後還是將 clock/74VHCU04 與 74HC74 分開。

Clock/74VHCU04 與 74HC74 分置兩塊板子,右邊板子上的 74VHCU04 已無作用

當初畫這塊板子時,將反向器的 pin 9、11、13 都接地了,為了要用第四組反向器,還真是費了番手腳(把 pin9 拉起,再焊一條短線連接至對面的 pin 6,pin8 尚未焊線出去)

就先這樣了,現在應該多聽聽音樂,享受此次改機的成果。
























