在電源供應器的輸入端,常會看到幾顆寫滿安規標誌的方形或圓盤狀電容。它們不只是為了濾波,更是為了在產品發生故障時保護使用者的安全。今天我們來拆解這兩位 EMI 戰場上的「防禦雙子星」。


1. 什麼是安規電容?
安規電容是指即使電容失效後,也不會導致電擊、不危及人身安全的電容。它們與一般電容最大的不同在於:當外部電源斷開後,內部的電荷會迅速釋放,避免觸碰插頭時產生電擊感。
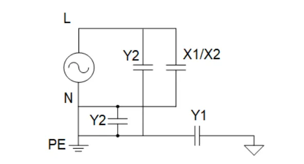
2. X 電容:跨接在火線與零線之間 (L-N)
- 主要任務:抑制差模干擾 (Differential Mode Interference)。
- 物理特性:通常採用塑膠薄膜電容,具有較大的電容量。
- 失效模式:若 X 電容因電壓過載損壞,它會呈現短路狀態,進而讓前方的保險絲熔斷,切斷電源以防止火災。
- 常見等級:最常用的是 X1或X2 等級,具體要依據過電壓等級來決定。

3. Y 電容:跨接在線路與地之間 (L-G / N-G)
- 主要任務:抑制共模干擾 (Common Mode Interference)。
- 物理特性:外觀多為藍色圓盤狀的陶瓷電容。為了限制漏電流(Leakage Current),其電容量通常較小。
- 失效模式:為了保護人體,Y 電容失效時必須呈現開路狀態。這樣可以確保產品的外殼不會帶電,防止使用者觸電。
- 常見等級:Y1 為加強絕緣,Y2 為基本絕緣。隔離電源跨一、二次側要滿足加強絶緣,因此用Y1,L-G/N-G要滿足基本絶緣,因此用Y2 。

🛠️ 工程師的實務操作建議
在設計或檢查電路時,請遵循以下步驟以符合安規規範:
- 確認安規標誌:請務必檢查電容表面是否印有 UL、VDE、CQC 等各國認證標誌。
- 配置洩放電阻:對於較大容量的 X 電容(如: 0.1μF以上),請在並聯處設計洩放電阻,確保插頭拔除後,電壓能在規定時間內降至安全值。
- 注意漏電流限制:增加 Y 電容雖然能改善 EMI,但也會增加漏電流。請根據產品類別(Class I 或 Class II)計算總漏電流,確保符合安全標準。
- 選用正確耐壓:請依據產品應用的電網環境選用對應的脈衝電壓等級(如 X2 需耐受 2.5kV 脈衝)。




















