本文以實際安裝範例,說明 18VeKits 電輔輪如何安裝自行車碟煞裝置
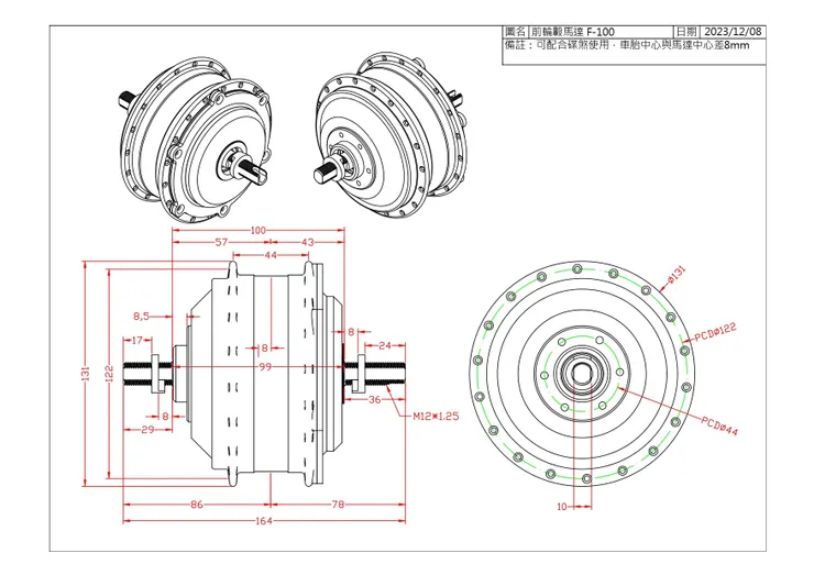
18VeKits 電輔輪有設計碟煞盤安裝介面,可參考下圖,其碟煞盤的固定螺絲節圓直徑(PCD)為44mm,總共有六個螺絲孔,所使用的螺絲為正牙M5 x 0.8;殼體上的螺紋深度為5mm,因此建議使用的螺絲長度為5~8mm的範圍之內,而18VeKits 電輔輪所附的螺絲長度為6mm。
輪轂馬達外觀尺寸圖
步驟一:
將原本已鎖上的18VeKits 電輔輪碟煞用內六角螺絲拆除,由於螺紋規格為正牙,將其逆時針旋轉就可以鬆開螺絲,之後可以考慮繼續使用此內六角螺絲來固定碟盤,或是更換自己喜好的螺絲種類或顏色;僅需確認螺絲的規格同樣為正牙M5,牙距為0.8,其長度在5~8mm之間,就可任意進行螺絲種類的更換。

逆時鐘旋轉鬆脫18V Ekits 電輔輪上的碟煞盤螺絲
步驟二:
除了新購的碟煞盤之外,也可以沿用舊的碟煞盤,僅需要確認碟煞盤的螺絲孔節圓直徑(PCD)為44mm即可,倘若無法量測碟煞盤尺寸確認,可以將碟煞盤擺放於18VeKits 電輔輪的碟煞盤固定位置,觀察是否可以同時看到六個螺紋孔,就代表尺寸正確無誤,可以直接鎖緊固定;若發現無法同時看到六個螺絲孔,代表此碟盤的組裝孔節圓直徑不同,建議另行購買碟煞盤。由於此處為正牙螺紋,因此將螺絲順時鐘旋轉就代表鎖緊。

順時鐘旋轉鎖緊碟煞盤
步驟三:
一般而言會有組螺絲是用來將碟煞卡鉗固定於自行車架上,如下圖中鎖在白色車架上的兩顆螺絲。這組螺絲不具備主動調整功能,其設計目的僅是為了固定碟煞卡鉗;但若萬不得已,發現碟煞卡鉗位置仍不正確,才會在此處使用螺絲墊圈來進行碟煞卡鉗位置的調配。

碟煞卡鉗固定螺絲
在碟煞卡鉗的側面處還有一組螺絲,這才是用來調整碟煞卡鉗位置的固定螺絲。當發覺碟煞盤有摩擦或是有異音傳出時,只需要鬆開這兩顆螺絲,就可以進行碟煞卡鉗位置的調整。此處亦為正牙的螺絲,代表順時針旋轉就是鎖緊,逆時針旋轉就是鬆開。

碟煞卡鉗位置固定螺絲
若將用來調整碟煞卡鉗位置的固定螺絲完全卸除,可以觀察到其具備可調整的設計,就是在此處做了一條長溝的螺絲孔道,因此可以順著溝導做位置的改變,屬於主動式的可調整功能。但實際上可調範圍其實並不大,這長溝也僅有6mm寬,代表可調整範圍也就是在6mm以內,超過就得另外找方式處理。

碟煞卡鉗位置調整用的長溝設計
此外,碟煞卡鉗的上方是密封的,這代表著碟煞盤的直徑是會有限制的;若將用來調整碟煞卡鉗位置的固定螺絲完全拆除時,也會發現此螺絲的下方處使用了兩片螺絲墊圈,就是用來墊高碟煞卡鉗,避免碟煞盤直徑方向卡住,安裝時不可遺漏。
有鑑於上述的說明,無論是舊車改裝或是新車安裝,都建議將調整碟煞卡鉗位置的固定螺絲略為鬆脫即可,不要完全卸除,避免零件掉落或是增添組裝困難。僅須拆除那組將碟煞卡鉗鎖在自行車架上的螺絲,就可取下碟煞卡鉗,方便後續的電輔輪拆裝。

取下碟煞卡鉗
步驟四:
將已經安裝好碟煞盤的18VeKits 電輔輪順利安裝於自行車架上後,先手動旋轉電輔輪,確認輪子沒有與其它機構干涉,可以正常地轉動;若有干涉,應當優先排除。此時須注意,電輔輪內包含了一組單向旋轉的機構設計,當朝自行車前進方向旋轉時,輪子運轉順暢,感覺阻力會較小;反之,若朝向自行車後退的方向旋轉時,會帶動內部的馬達等結構,導致較大的阻力使輪子快速停止,屬於正常情況。
步驟五:
確認電輔輪無干涉後,再將碟煞卡鉗重新鎖回自行車架上固定,此時碟煞卡鉗的調整位置螺絲仍然處於鬆散狀態,再手動旋轉電輔輪,確認輪子沒有,可以正常地轉動;若有干涉,則代表碟煞盤的直徑與碟煞卡鉗不匹配。
目前常見的碟煞盤直徑為160及180兩種,但由於自行車配件的種類眾多,無法肯定各家尺寸差異,因此遇到直徑干涉量過大時,建議購買適合的碟煞盤進行更換。但若觀察過後,發現尺寸僅差一點點,則可以利用碟煞卡鉗調整位置螺絲下方的墊圈做調整,可以增加墊圈數量將其高度墊得更高,但可能要更換螺絲長度;也可以減少墊圈數量做調低,確保碟煞卡鉗的夾持面積足夠。
步驟六:
確認完碟煞卡鉗與碟煞盤的直徑高度位置後,才輪到調整碟煞卡鉗位置的工序。主要調整目標是未壓按煞車時,碟煞盤不會與碟煞卡鉗相互摩擦到;而當按壓煞車時,碟煞盤不會偏擺變形。目前已知最容易調整的方式,是略壓煞車,使碟煞卡鉗略為收縮,由於此時碟煞卡鉗調整位置的螺絲仍未鎖死固定,使得碟煞卡鉗能主動位移至適配碟煞盤位置,於此同時才鎖緊調整位置的螺絲。須注意此技巧是"略壓"煞車,而非緊壓煞車,在手力的拿捏可能得多練習幾次。
確認碟煞卡鉗調整位置的螺絲鎖緊後,再次手動旋轉電輔輪,確認無其它機械干涉的情況,即為安裝完成。但若還有干涉的情況產生,就代表碟煞卡鉗的固定位置仍不正確,還需要再次調整。
由於自行車配件規格眾多,本實例所使用的碟煞盤及碟煞卡鉗與其它車種可能有所差異,無法完全比照,還請見諒。
18VeKits 電輔輪賣場連結:
#可擔任業界顧問、講師
#個人經營歡迎贊助
馬達技術傳承計畫
想要馬達的技術嗎?想要的話可以全部給你,去找吧!
我把所有的知識都放在那裡了。





















