HEPA濾網的不同作用:什麼樣的細顆粒物最難攔住呢?
1,直徑0.1微米以下的最小顆粒粉塵由於重量特別小,會在空氣中作無規則的布朗運動,於氣流的方向會有一些差異,所以撞擊纖維的機會比較多。這種過濾作用叫做「擴散作用」,而這一類的顆粒物阻擋得相當容易。2,直徑0.3微米以上的顆粒物的重量大一些,所以他們被阻擋的原理不一樣。當空氣氣流接觸到纖維時,氣流會換方向,繞著纖維。但大一些顆粒物由於重量相當大,無法隨著氣流調整方向,所以會接觸到纖維,就會被纖維阻擋。這種過濾作用叫做「慣性撞擊作用」,這一類顆粒物也比較容易阻擋。
3,直徑大概0.1-0.3微米的細顆粒物是最難阻擋的。它們最容易跟著氣流走,繞著HEPA的纖維,不容易接觸纖維,而且由於重量大一些,也不會在空氣中晃動。這些最難阻擋的顆粒物叫「最具有穿透性的顆粒物」(MPPS)。
所有等級的HEPA濾網的過濾效果是按照MPPS過濾效果計算的。比如,H11濾網的過濾效果是95%以上;這意味著最具有穿透性的顆粒物的過濾效果不少於95%,而小於0.1微米的顆粒物和大於0.3微米的顆粒物過濾效果會高一些(97%,甚至99%)。
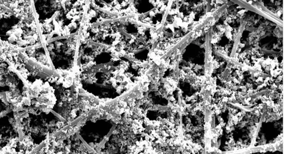
時間長了, HEPA濾網的纖維之間的空隙會變得越來越小,有的空隙會完全消失掉。這樣濾網的過濾效率並不會下降,但是濾網的風阻會增加,結果空氣凈化器或新風系統的風量會下降,而噪音會增加。所以HEPA濾網必須要定時更換。在下面的照片上可以看到用過幾個月的濾網上的顆粒物:

濾網等級越高,纖維越細,纖維之間的空隙就越小。所以,等級比較高的濾網更容易被堵住,因為纖維之間的空隙會迅速縮小。為了延遲高效濾網的使用壽命,在高效HEPA濾網前面必須要有初效(G級)濾網,或者中效(F級)濾網,否則高效濾網會很快被大顆粒物堵住:

📌 沃特奇官網
有興趣想了解更多~
請洽官方LINE:https://lin.ee/QkILRx8
或打@v.green (記得加@)
╠═╬═Vortex Green Building═╬═╣
02-7725-1260
02-2388-1270


