在本章節中,我們會學習有關 D 型正反器狀態機的分析。
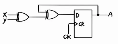
請看下圖:
此電路由以下因素決定:
- 輸入(inputs)、輸出(outputs)與正反器的狀態(state)
- 有限狀態機的分析需考量正反器的輸入方程式與輸出方程式。
- 產生輸入給 flip-flop 的部分稱為 輸入方程式
- 組合邏輯中產生輸出的部分可用一組布林函數來描述,這些稱為 輸出方程式。
- 最後,狀態方程式(或稱轉移方程式)用來定義下一個狀態(next state)是當前狀態(present state)與輸入(inputs)的函數。表示如下:
next state = f(present state, inputs)
好,我們現在重新觀察電路,列出輸入方程式:

而我們知道 D 型正反器的輸出特徵方程式非常直觀,即下一個狀態等於 D 輸入的值:

所以現在就可以列出此電路的狀態方程式:

我們都知道上面的狀態方程式的卡諾圖為以下形式:

之後我們就可以根據狀態方程式列出狀態表(在Next state 的最小項1, 2, 4, 7填入1,其餘填0):

最後就可以根據狀態表繪製狀態圖:




















