手機、平板、電子書、路由器維修 & 技能教學,請洽 LINE ID:CARTINGHAO
各位好,我是台灣黑手,黑手的黑,黑手的手,今天講解的是一台 iPhone SE ,可能是受潮或碰到水,客戶有先送過其它地方看過,說內部腐蝕嚴重

客戶主要是在於內部的資料,機子算其次了

機身打開後明顯上半截都有大量的塵土與腐蝕

機殼有些許變形,防潮試紙也呈現鮮紅色

老樣子,什麼都不用說~~先下主板

主機板卸下後,因為沒有 SE 的開機電源線,所以暫時沒上電源供應器看電流反應

先確認外部比較明顯的一些問題,現在外面賣的開機線寫的 5SE 根本就不能用在 SE 上(昏),可以看到連接座本身已經腐蝕

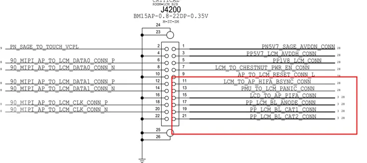
從原廠的元件分佈圖上,可以找到 J4200 的標記點在右下方,代表右下為 1PIN ,下方為單數排,上方為雙數排,腐蝕的位置集中在 11/13/15/17/19/21 的腳位上

依據原廠電路圖上的標示 11-21 腳大多是與顯示面板有相關的線路,還有背光、同步信號等等....

外觀較為明顯的,就沒有什麼必要在很仔細查下去,因為客戶的重點是在資料,所以功能不重要,先將連接座的異常排除

連接座部份處理完後,在排查 NAND 的二極體值,有部份數值為 OL ,而負載本身還在線上,呈現的數值本不應該為 OL 疑似底部有異常

將 NAND FLASH 取下後,沒有發現掉點

將主機板與硬碟都處理完,並且測量二極體值,確認數值正常

NAND FLASH 同時上編程檢查是否有異常

如果 NAND FLASH 有異常,那就確定資料沒有解了

排除前二個問題後,要準備上電,因為沒有開機連接座,所以只能拆 SE 電池本體上的電池保護板來使用

將電池保護板卸下,必須跳一條到負極接到 CONN 的上,否則是無法使用的

上電後呈現大電流,使用松香煙霧燒機法

從元件分佈圖上,可以看到這兩顆均為 RF 的電容

從電路圖中可以看到 C5220_RF 與 C5202_RF 都是 WIFI 使用的電容,採用的為 CER 陶瓷電容,耐壓在 6.3V

先將第一顆電容採下,可以看到電容右側接地位置,已經燒到都沒有東西了

兩顆電容的接地都燒到沒有了,可見電流有多大

電容因為是 WIIF 電路上的,不影響開機時序,所以可以不用理它,但接者觸發後,後端依舊有大電流,充電管理晶片卸下後,一樣有一半都燒焦了

位置剛好在 NAND FLASH 的右側

這個充電管理晶片料號與 iPhone 6S 是相同的,所以我找了一個 6S 的料板拆了一顆下來

主機板處理完成後,接者觸控與顯示部份,也不行了,找了一片 iPhone 5S 的面板來替代

開關鍵也疑似小豆子磨平的關係,整個卡住無法使用,先將按鍵取出,確認小鐵片還在
這裡順便提醒一些維修師傅,如果有在換殼的話,按鍵中間圓型小鐵片記得要貼上去唷,否則裝上去會卡鍵的

檢查了一下,發現小豆子並沒有磨損,小鐵片也在,估計是粉塵造成的卡鍵,使用有機溶濟清洗乾靜即可

最後在將電池保護板與電池回焊,上機測開,可以看到 NAND FLASH 僅剩 915MB 了,資料還蠻多的

還是老樣子,使用蘋果的 NAND FLASH 做成 USB 3.0 隨身碟,將資料給客戶~~收工!
























