第二次返台後,又是過著關在小房間裡的隔離日子,大概隔離到最後一兩天時,得到消息說某公司有個駐廠缺,要我試試看。

一開始先收到HR傳來的連結,到公司網站上的人力資料庫填寫資料。這個動作我已經非常熟悉了,因為這幾個月來已經不知道投了幾封履歷?填了多少資料?
圈子裡流行著一句話:「一日設備、終身設備」,由此可以知道身為一個設備工程師要轉職是多麼困難的事,即使我曾經做過新產品流程管理和Coordinator的角色,但「設備工程師」這個佔了我職涯90%以上的職稱是很難翻轉掉的,而設備也永遠是產能不足時背鍋的首選,這就是為什麼我後來只想找流程管理或是產品工程師這類職缺來試圖翻轉洗履歷的原因。但現實就是:因為設備工程師的資歷太久,我想公司也不會考慮找我擔任產品流程管理的職缺;而若要繼續當設備工程師,又已年過40,肝不夠新鮮,HR會望之卻步,所以投出的履歷每每石沉大海,投到我已經不抱希望了,但這次是我這一年以來所遇到的最好的機會,也是我想要的職缺,我必須想辦法試試看!
果然面試官跟我說我已經「超出要求的資格」,本來公司希望召募資歷五年左右的人,但我的資歷已接近廿年,「太資深」。另外面試官也跟我說公司對於召募的流程很冗長,但後來在一個月就完成了三階段面試,讓我信心度大增,甚至覺得有希望在我出國前搞定,能夠直接提離職不用出國!
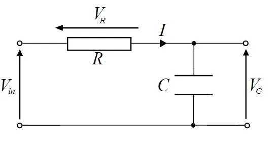
這三輪面試除了面試官問我一些一般性的問題以外,也問了我一些專業性的問題。除了對機器維護的相關專業外,還問了一個很基本的電路計算。這是一個RC並聯電路,他給我一個輸入電壓Vin,問我輸出電壓Vc是多少?這個是高職基本電學啦,不過我已經幾十年沒碰這個了,真的忘了怎麼算,所以我也很誠實地告訴他我實在太久沒碰這些算式,真的忘了,一時給不出答案。(不過我應徵的職務不是設計,其實沒什麼太大影響,胡亂給答案才慘!)

三輪面試結束後就進度停滯了下來,事情並不如想像的順利。眼看著又收到通知要我出國,只好先跟面試官回報一下我這次出門時間會比較久,請他有狀況能夠通知我一下,然後摸著鼻子,帶著不安的心情揮別Michelle......。
To be continued...






















