
由雷明頓蘭德公司生產的一把M1911A1 .45 ACP口徑手槍,二戰期間雷明頓蘭德公司亦得到設計圖紙並量產,後來M1911成為美國陸軍的制式軍用後座操作半自動手槍。
M1911(45手槍)是一種在1911年起生產的.45 ACP口徑半自動手槍,由約翰·勃朗寧設計,推出後立即成為美軍的制式手槍並一直維持達75年(1911-1986年,美國海軍陸戰隊至今仍有使用其衍生型)。M1911曾經是美軍在戰場上常見的武器,經歷了一戰、二戰、韓戰、越戰以及波斯灣戰爭。 參與戰爭/衝突: 一戰 二戰 印度支那戰爭 多次中東戰爭 國共內戰 緬甸內戰 韓戰 越戰 寮國內戰 中越戰爭 豬灣事件 柬埔寨內戰 入侵巴拿馬 入侵格瑞那達 兩伊戰爭 沙漠風暴行動 索馬利亞內戰 持久自由行動 伊拉克自由行動 2011年敘利亞內戰 墨西哥毒品戰爭
1940年美國軍方對M1911正式命名為「Automatic Pistol, Caliber .45, M1911」,而對1924年推出的改進型M1911A1則命名為「Automatic Pistol, Caliber .45, M1911A1」,越戰時期的M1911A1又更名為「Pistol, Caliber .45, Automatic, M1911A1」,在整個服役時期美國共生產了約270萬把M1911及M1911A1(不包括盟國授權生產),很可能是歷來累積產量最多的手槍。M1911系列亦是約翰·勃朗寧以槍管短行程後座作用原理來設計的著名產品,其各種特點也影響著其他在20世紀推出的手槍。

1970年代美國陸軍用於裝備軍官的M15 .45 ACP半自動手槍。
歷史
早期歷史與參與評選
M1911於1890年末期起開發,當時的美軍在裝備了M1892/96/98 Krag及M1895李氏海軍步槍後,希望以自動裝填手槍(半自動手槍)來取代多種仍然服役且種類繁多的左輪手槍。在1899年尾至1900年初,美軍舉行了自動裝填手槍評選,參加的廠商有毛瑟(毛瑟C96 Broomhandle)、曼利夏(斯泰爾-曼利夏M1894)及柯特(柯特M1900)。 德意志帝國的德意志武器彈藥製造公司(DWM)購買了1,000把發射7.65×21公釐帕拉貝倫瓶頸式子彈的魯格P08半自動手槍作實戰測試以研究其制止力,其他國家的政府亦有作相關測試,結果DWM把7.65公釐帕拉貝倫彈改進成直壁式無邊緣彈殼的9公釐帕拉貝倫彈(即現在的9×19公釐北約手槍子彈),其中50把在1903年被美國陸軍測試。

少女前線的M1911
在美菲戰爭中美軍制式的.38長柯特口徑左輪手槍在叢林戰場中表現不可靠、制止力低,無法有效對抗服用麻醉用途毒品的摩洛游擊隊。美國陸軍短暫地重新採用19世紀發射.45柯特槍彈的M1873單動式轉輪手槍作戰並發現較低速及較重的彈藥對健壯的摩洛族人更為有效,而陸軍在1902年把更多的M1873運至菲律賓戰場,當時的美國陸軍軍械兵團主管威廉·歇爾將軍亦決定測試新的半自動手槍以取代左輪手槍作為制式輔助武器。 在1904年的湯普森-拉格特手槍子彈威力測試(Thompson-LaGarde Tests)後,約翰·湯普森上校認為新的制式手槍口徑「不可小於.45英寸」及最好採用半自動運作。在1906年共有6間生產商參與了制式手槍評選,包括柯特、伯格曼(Bergmann)、DWM、薩維奇輕武器(Savage Arms)、克魯比(Knoble)、Webley & Scott及懷特-美林(White-Merril)。在他們各自提交6個手槍設計後,只有薩維奇輕武器、DWM及柯特所發射.45 ACP(Automatic Colt Pistol,柯特自動手槍子彈)的樣槍能繼續參與評選,但仍然被認為需要進行改進設計,同時DWM亦退出了評選,理由可能是DWM認為評選不公平,他們的手槍只是其餘兩家公司手槍代罪羔羊。薩維奇輕武器及柯特的樣槍在1907-1911年間進行多次測試,每次測試後兩者亦不斷進行改進,至1910年尾,柯特的樣槍在6,000發射擊試驗後沒有出現任何問題,而薩維奇輕武器的樣槍就出現了37次故障。

挪威生產的M1911,11.25 m/m AUT. PISTOL M/1914, Kongsberg Colten。
服役歷史
在通過所有試驗後,柯特的參選手槍在1911年3月29日正式成為了陸軍的制式手槍,定名為M1911(Model of 1911),並且在1913年也成為了美國海軍及美國海軍陸戰隊的制式手槍。
一戰
在一戰開始前,柯特已經進行大量生產以達到美軍的要求,國營的春田兵工廠亦有參與生產。 一戰的經驗令軍方提出要求對M1911進行一些外部改進,改進時間自1920年中開始。包括扳機稍微後移、加大扳機護圈、加闊準星、握把近扳機護弓的位置加上凹槽、加長握把式保險上方的突出部以避免射手虎口被擊鎚錘傷、加厚握把尾部(後來版本又再被簡化了)、加長擊鎚以利於操作及簡化了握把上的紋路等。這些改進在1924年完成,1926年定案,新版本定名為M1911A1,由於沒有進行內部修改,因此內部零件仍可與M1911互換。

M1911改
二戰
相比起一戰,美軍在二戰時對M1911A1的需求量更大,當時的美國政府共購買了約190萬把以裝備所有美軍部隊,並增加了承包商來提高生產力,包括雷明頓蘭德(約900,000把)、柯特(約400,000把)、伊薩卡(Ithaca Gun Company,約400,000把)、聯合號誌公司(Union Switch & Signal,約50,000把)、勝家(Singer Corporation,約500把),春田兵工廠及岩島兵工廠亦有進行大規模生產。1945年二戰結束後,美國政府停止訂購新的M1911A1,只是不斷地翻新原有的手槍,而M1911A1亦成為部份美國軍人最喜愛的手槍。

柯特的金杯國家比賽版本的M1911,手槍表面進行了鍍鎳處理
挪威在二戰前亦有由康斯貝格集團(Kongsberg Gruppen)合法授權生產M1911,名為11.25 m/m AUT. PISTOL M/1914, Kongsberg Colten(又名康斯貝格柯特,Kongsberg Colt),口徑相同,在德意志國防軍佔領挪威後在德軍控制下繼續生產,德軍則對其取名為Pistole 660(a)。現在這批挪威的M1911成為收藏家的高價收藏品,另外阿根廷在1922年起生產的巴萊斯特-莫利納亦是仿製自M1911A1。

M1911大破
退役
二戰過後,M1911系列仍然是美軍部隊在韓戰和越戰中的制式手槍,在1990年正式退役後仍然是少數美國陸軍部隊在波斯灣戰爭的武器之一。時至今日,美國特種作戰部隊在伊拉克自由行動和持久自由軍事行動中仍有採用M1911系列,部份為個別隊員攜帶的私人物品。 在1970年代後期,M1911A1被認為是過時產品,在北約將手槍子彈制式化的壓力下,美國空軍首先開始了聯合戰鬥手槍計劃挑選9×19公釐口徑的半自動手槍作爲M1911A1的替代品,代號XM9,在1985年1日14日決定採用義大利設計的貝瑞塔92F,但陸軍在1980年代又再對XM9重新試驗,不久又分拆出XM10試驗,結果後來貝瑞塔把92F改進成92FS,並在1990年正式取代M1911A1成為新的制式手槍,定名為M9手槍。

1990年代早期,大部份的M1911A1皆被M9手槍取代,但部份特種作戰部隊繼續以M1911A1及改進型作配槍,美國海軍陸戰隊仍然為遠征軍配發陸戰隊自行改裝而成的MEU(SOC)手槍,2012年開始逐漸改用同樣以M1911衍生而來的M45A1近身作戰手槍。另一方面,美國特種作戰司令部提出進攻手槍武器系統(Offensive Handgun Weapon System,OHWS)計劃,要求一種發射.45 ACP的特別用途手槍,柯特以M1911A1為基礎,加入大幅改良的柯特雙鷹型手槍的內部機構衍生出柯特OHWS,而另一個參選廠商黑克勒-科赫則以HK USP修改大型化後來參加競標,最終柯特OHWS落選,而HK的槍枝則被賦予制式編號Mk 23 Mod 0,HK雖然在競標中勝出,但HK Mk 23 Mod 0作為手槍實在過於龐大而不受好評,始終沒有成為特種作戰部隊的常用武器。 在2004年後期,菲律賓兵器公司(Arms Corporation of the Philippines,又稱Armscor)推出了M1911A1的改進型-M1911A2。A2同樣可以發射.45 ACP及.40口徑子彈,擁有15發容量標準彈匣,現時沒有軍隊使用,但民間可合法擁有。菲律賓兵器公司的M1911A2並不視為正式的1911系列手槍,主要因為一般的1911系列都是用單排式彈匣的,而STI INTERNATIONAL公司早就有推出了使用了雙排式彈匣達到多發數的產品。

史密斯(Smith & Wesson)的SW1911
現有使用者
除了美國軍隊外,M1911因具備高度制止力及良好的人體工學設計,同時又具備豐富的美國情懷而令其成為美國國內部份執法部門、聯邦調查局人質拯救隊(現已逐漸全面改用克拉克手槍)和多個警察戰術單位的常用武器之一,塔科馬警局亦有裝備金柏公司(Kimber)推出的Pro Carry II或Pro Carry II HD給警員作選擇性配槍。 M1911的可靠性和美國人對.45口徑的鐘愛使得M1911系列在民用市場同樣深受喜愛。無論是打靶訓練、比賽、個人自衛還是IPSC都能經常見到M1911系列(包括改進型或仿製版本)的蹤影。民間擁有者喜歡用訂制零件對手槍進行改裝,在美國也有多家廠商生產不同版本的M1911,如戰術型、比賽型和緊湊型等,價格在$250美元至$4,000美元不等。值得一提的是人質拯救隊及聯邦調查局特種武器和戰術部隊所使用的春田兵工廠特製M1911A1(又稱The Professional Model)的民用型價格在$2,595美元—$2,700美元不等。

春田兵工廠的二戰重製版本M1911A1,手槍表面進行了磷化處理
MEU(SOC)半自動手槍
MEU(SOC)手槍是為美國海軍陸戰隊的陸戰隊遠征隊(Marine Expeditionary Unit,MEU)中精英部隊而開發,以軍方的M1911A1經過人手挑選,在更換槍管、扳機、滑套、握把式保險、照門、準星,另配彈匣,採用雙側保險及擴大彈匣供彈口等後,手工進行更換改裝。 1980年後期,美國海軍陸戰隊提出把M1911A1進行改良以適合21世紀戰場,隨後他們對洛杉磯警察局(LAPD)所特別訂制的金柏(Kimber)M1911十分滿意,並向金柏訂制了以TLE/RL II系列作改良的版本,金柏亦在短時間內生產了小量特製的M1911A1交貨,這種版本命名為ICQB(Interim Close Quarters Battle pistol)手槍,主要改用簡化了的復進零件及5英寸比賽級不鏽鋼槍管等。 後來海軍陸戰隊特種作戰司令部第1特遣隊(MCSOCOM Det-1)的金柏ICQB手槍又加裝了Dawson的整體式導軌、SureFire整體式軍用手槍戰術燈(IMPL)、Novak LoMount氚光機械瞄具、Gemtech TRL戰術槍索、Safariland 6004手槍套及配Wilson 47D 8發彈匣。 最新型MEU(SOC)手槍為柯特研製的滑軌手槍,被命名為M45A1近身距離作戰手槍(英語:Close Quarter Battle Pistol,簡稱:CQBP)。M45A1採用了串聯式復進簧組件,MIL-STD-1913戰術導軌和Cerakote棕黃色氮化表面轉換處理。

其他使用者
M1911A1至今仍是部份國家的制式裝備。 部份國家目前仍有採用M1911A1的合法授權生產型或仿製品作軍隊和執法部門的配槍;例如希臘陸軍的M1911A1源自美國在1946年以對抗蘇聯等共產主義國家為由援助的武器,美國在越戰時期亦有向泰國援助M1911A1。 M1911A1曾裝備了以下部隊:
- 二戰時期的加拿大軍隊、蘇聯紅軍(透過租借法案取得)、中華民國國民革命軍(透過租借法案取得)、德意志國防軍(在佔領挪威後繼續生產挪威版本的M1911並裝備德軍,部份則繳獲自盟軍)
- 越戰時期的越南共和國軍(南越軍)及越南人民軍(北越軍)(前者由美國援助,後者則繳獲自美軍及南越軍)
- 日本警察預備隊及自衛隊(二戰後由美國供應,直至在1980年代被美蓓亞P9手槍取代後退役)
- 盧森堡第1砲兵營
- 香港警務處跟蹤支援隊
這些M1911A1現在經已退役及撤裝,並逐漸被克拉克17、SIG P220系列及HK USP等更輕及發射9×19mm儒格彈的半自動手槍所取代。

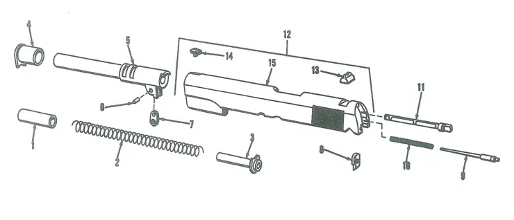
1.復進簧頂頭 2.復進簧 3.復進簧導杆 4.槍管套 5.槍管 6.絞鏈鈾 7.絞鏈 8. 擊針定位片 9. 擊針 10.回針簧 11.退殼鉤 12. 滑套
設計
以20世紀初期當時的科技條件,設計.45半自動手槍並非易事,但約翰·白朗寧卻設計了一款經的起歲月考驗的.45半自動手槍,在它漫長的生產歲月中,未見有人能對其原始設計作出重大的改進。M1911的基本操作原理是利用後座力。子彈內的發射藥的燃燒氣體將彈頭推出槍管,此時鎖在一起的槍管與滑套受後座力開始向後滑。彈頭射出後,槍管與滑套繼續一起向後滑一小段距離。然後槍管尾端以絞鏈為軸向下擺動。 此時滑套內的閉鎖凹槽與槍管尾端凸筋分離,不再鎖在一起,滑套繼續後退,抓子爪抓住彈殼退出膛室,退子鉤彈出彈殼,滑套後退到底。此時復進簧把滑套反彈向前。滑套帶動彈匣內下一顆子彈上膛,繼續向前,滑套內的閉鎖凹槽與槍管尾端凸筋對準,槍管尾端以絞鏈為軸向上擺動,槍管與滑套再度鎖在一起。滑套與槍管繼續向前滑一小段距離,槍管回復水平線。

軍用型M1911A1的分解圖片,可見槍管尾端的絞鏈及凸筋。
M1911系列具有雙重保險設計,握把式保險需要以掌心保持按壓才可發射,鬆開保險制時扳機與擊鎚間的傳動凸齒因無法連接從而阻止意外擊發。另一個是為位於手槍槍身左面手動保險,在保險狀態下會鎖緊擊錘及阻鐵,滑套亦無法復進,另外亦有些廠商生產的M1911A1採用擊針保險。 雖然市面上有多種如克拉克21、SIG P220、HK USP等更輕的.45 ACP手槍,但M1911系列並沒有被取代的跡象,在警隊和民間用途中仍然相當常見,尤其是IDPA和IPSC等的專業比賽。
(部分內容參考於網路資訊)
























