摘要
兩軸間的運動垂直度是工具機精度的關鍵,其是由兩線性移動件的90度對應關係組合而成,採用方規與量表進行量測,本文針對工具機運動垂直度量測與計算方法進行說明,並解釋國際規範的定義,期待國內業者能建立正確的量測觀念並有效改善現有工具機的精度,提升國內機台在國際上的競爭力。
關鍵字: 工具機、真直度、垂直度、方規
1. 前言
工具機線性軸移動時會產生6個自由度的誤差,主要為縱搖(Pitch)、偏轉(Yaw)、偏滾(Roll)、水平向直度(Horizontal straightness)、垂直向直度(Vertical straightness),以及線性位移的定位誤差。

Figure 1 線性軸6個自由度示意圖
所謂真直度即是待測實際線(路徑)對理想直線的變動量大小,常用分析方法有三種,分別是兩端點歸零法(End Point fitting)、最小平方法(Regression) 以及區域法(Minimum Zone Method),三種方法以兩端點歸零法計算最簡便,而最小平方法與區域法因計算較複雜,需利用軟體進行分析與計算。
兩端點歸零法這種修正線是由一條通過測量工作之第一個點與最末點的參考直線來表示,它是由所測量的直線資料減去這條修正線以產生新的直線度資料,在直線上之第一個點與最後一點測量值都會歸零。

Figure 2 兩端點歸零法[1]
用最小平方法來計算直線度時,它是由所測量的直線資料減去這條迴歸修正線以產生新的直線度資料,其中心線是以一條平行於測量軸向的直線來表示。

Figure 3 最小平方法[1]
區域法為ISO1101標準分析法,為兩條平行線其可涵蓋所有量測值且兩線之間距離為最小。

Figure 4 區域法[1]
理論上垂直度為兩條線性真直度90度對應關係構成,但實際機台在環境、自身撓曲甚至移動所產生的熱之影響皆會影響到垂直度的變化,也由於各軸的運動並非為真直,故垂直度的量測結果會是一個平均數值[4]。
以下圖說明,假設X軸線與Y軸線為正90度關係,藍線及紅線代表實際軸線運動狀況,而虛線部分為由分析方法所計算出的代表線,將此二代表線與90度的誤差角度相加,即為垂直度誤差。

Figure 5 垂直度誤差[1]
2. 國際標準對垂直度誤差的定義
工具機垂直度誤差定義可參考ISO230-1[2]規範,以下圖工具機構型做解釋:

Figure 6 垂直度說明範例[2]
運動垂直度透過X軸及Z軸兩者間線性移動時在刀尖點軌跡的直度斜率進行計算,其計算方程式為B0X=θx-θz,θ值的方向性判別可參考ISO841[2]規範定義。

Figure 7 線性移動軸X與Z軸間的垂直度 [2]
1. EXZ真直度誤差的代表線
2. EXZ真直度誤差的斜率θz(正值,ISO841方向定義)
3. EZX真直度誤差的代表線
4. EZX真直度誤差的斜率θx(負值,ISO841方向定義)
另外,針對ISO230-1[2]參考座標系統所定義的運動垂直度整理如下:
Table 1 運動垂直度誤差定義表


Figure 8 Z軸線性軸的位置與方向誤差[2]
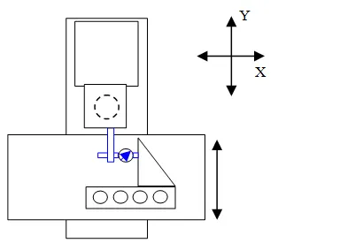
實際檢驗垂直度方法則可參考ISO10791-2標準,使用儀器直規、直角規及量表,量測Z軸與X軸的直角度時,需先將直規架設與X軸平行,在將直角規立於直規上,以進行Z軸之檢驗,量測時將量表固定於主軸上並固鎖,確保量測穩定性。若使用圓筒角規量測,亦須先確認底面是否與X軸平行。

Figure 9 檢驗Z軸與X軸的直角度[3]
量測Z軸與Y軸的直角度時,需先將直規架設與Y軸平行,在將直角規立於直規上,以進行Z軸之檢驗,量測時將量表固定於主軸上並固鎖,確保量測穩定性。

Figure 10 檢驗Z軸與Y軸的直角度[3]
量測Y軸與X軸的直角度時,需先將直規架設與X軸(或Y軸)平行,在將直角規立於直規上,以進行Y軸(或X軸)之檢驗,量測時將量表固定於主軸上並固鎖,確保量測穩定性。

Figure 11 檢驗Y軸與X軸的直角度[3]
3. 直規與量表使用的注意事項
對於工具機精度量測,為了讓直規受重力的彎曲變化量達到最小,必須使用兩平行塊規支撐於貝塞爾點,貝塞爾點在其全長的5L/9位置,如下圖所示。

Figure 12 貝塞爾點位置
使用直接式量表需確保擺置不良等所造成的誤差,包括餘弦誤差、阿貝誤差等;採用槓桿示量表則須注意針頭與待測面角度,其角度維持越小,誤差越小。

Figure 13 直接式量表擺設誤差[5]
槓桿式千分表使用方式可參考Mitutoyo技術書明書[6],其實測值=量測值x補正值,補正值依據為量測時針頭與待測面角度,當量測值為0.002mm,量測角度值為10度之誤差為0.002x0.98=0.00196mm,量測角度值為20度之誤差為0.002x0.94=0.00188mm,簡單來說其針頭與待測面角度越小,其量測誤差越小。
Table 2 角度補正表[6]


Figure 14 槓桿式量表擺設誤差(一)[6]

Figure 15 槓桿式量表擺設誤差(二)[6]

Figure 16 槓桿式量表擺設誤差(三)[6]

Figure 17 槓桿式量表擺設誤差(四)[6]
4. 運動垂直度在實務量測的方法
在小型機台使用350mmX350mm的方規較為方便實用,在中大型機台則可使用500mmX500mm以上的方規,但因其重量較重需使用天車搬運,或由兩人一同配合進行。實例上亦有採用直規與三角直角規結合方式來做量測,此結合模式在中大型機台較常見(如立車)。

Figure 18 直規與直角規結合示意圖[6]
以下說明以方規量測的量測方法:量測Y軸與X軸的直角度,首先將方規平放於工作台並確保其穩定性(避免滑動),方規約略調整於目視的X軸與Y軸垂直狀態(可利用工作台T型溝槽粗略對準)然後將量表固定於主軸位置。

Figure 19 Y⊥X量測:平放方規確認穩固
以量表調整Y軸與方規平行度,盡可能調整至前後兩端點量表數值皆為零(計算較為簡便)。

Figure 20 以量表調整Y軸與方規平行度
然後將量表固定在主軸架設於X方向,移動線性X軸,紀錄頭到尾量測數值,此即為Y軸與X軸的垂直度誤差。

Figure 21 量測Y軸與X軸的直角度
量測Y軸與Z軸的直角度,首先將方規平放於工作台並確保其穩定性(避免滑動),可採用上述方式先將方規與Y軸架設平行(若有調整治具);或可直接量測在透過計算相加或相減求得誤差。將量表固定在主軸,分別量測Y方向及Z方向,各別紀錄兩方向的頭到尾量測數值。

Figure 22 量測Y軸方向誤差值

Figure 23 量測Z軸方向誤差值
量測X軸與Z軸的直角度與上述說明之量測Y軸與Z軸的直角度方法相同,以下提供示意圖為參考。

Figure 24 量測X軸方向誤差值

Figure 25 量測Z軸方向誤差值
5. 運動垂直度在實務量測的計算
當方規斜率為可調整(調整斜率治具),可將基準量測X軸線盡量調整為零對零,在來量測次要Z軸由起點歸零開始移動至終點,其終點數值即為直角度誤差。

Figure 26 調整斜率來量測計算直角度誤差
當方規斜率無法調整,可直接由基準點各別量測X軸線及Z軸線之斜率,在去將斜率誤差作相加減來計算直角度誤差,以下列XZ直角度量測案例作說明(方規尺寸350mmX350mm):

Figure 27 XZ直角度量測案例
案例一:

Figure 28 XZ直角度案例一
X軸斜率 2 um
Z軸斜率 -5 um
XZ直角度(2um-5um)= -3um/350mm
案例二:

Figure 29 XZ直角度案例二
X軸斜率 2 um
Z軸斜率 1 um
XZ直角度(2um+1um)= 3um/350mm
案例三:

Figure 30 XZ直角度案例三
X軸斜率 -2 um
Z軸斜率 1 um
XZ直角度(-2um+1um)= -1um/350mm
案例四:

Figure 31 XZ直角度案例四
X軸斜率 -2 um
Z軸斜率 -1 um
XZ直角度(-2um-1um)= -3um/350mm
採用方規量測的方法是製造廠商最有效率及準確性的作法,此法將方規當作標準件,當作為完美的90度形狀,當然進行高精度量測可考慮將方規本身誤差(出廠報告或校正報告)予以扣除即可得到更精準的數值。
另外,關於垂直度的量測方向性(正負值)的定義對於檢測人員也非常重要,舉例來說:當Y軸與Z軸垂直度誤差較大,可得知機台為前傾或後仰;當X軸與Z軸垂直度誤差較大,可判斷機台是左傾斜還是右傾斜,對於機台幾何精度的改善有莫大的幫助。
6. 結論
本文重點整理如下:
(1)幾何精度說明解釋:解釋單軸6自由度誤差、直線度誤差及垂直度誤差。
(2)國際規範對於垂直度的定義:ISO230-1及ISO10791-2對於垂直度的定義及量測方法。
(3)垂直度的實務量測方法:說明以方規量測垂直度在實務的方法。
(4)垂直度的實務計算:說明以方規量測垂直度在實務的計算。
工具機產業被視為國家工業化程度的指標,近年來航太及汽車產業需求,在加工精度要求與日俱增的今日,機械幾何精度仍舊是最重要的一環。而垂直度是工具機的基礎,本文透過相關文獻的整理與實務檢驗經驗的分享,期待國內工具機業者能建立正確的量測觀念並有效改善現有工具機的精度,提升國內機台在國際上的競爭力。
7. 參考文獻
[1] M.A.V. Chapman, " Calibration of machine squareness ", Technical white paper of Renishaw, TE328 (2013).
[2] International Standard, "Geometric Accuracy Of Machines Operating Under No-Load or Quasi-Static Conditions", ISO230-1(2012).
[3] International Standard, "Test conditions for machining centres - Part2:Geometric tests for machines with vertical spindle or universal heads with vertical primary rotary axis (vertical Z-axis)", ISO10791-2.
[4] Wayne R. Moore原著,蓀葆銓、孫樂南翻譯, 「機械準確性的基礎」,適齊出版社(1982)。
[5] 范光照,「精密量測」,高立出版社(2000)。
[6] https://www.mitutoyo.com.tw/





















