1. 前言
驗證電晶體的 SPICE 模型是電路設計中不可或缺的一環。本文說明如何使用 PSpice 驗證電晶體 SPICE 模型,並進一步透過直流掃描獲得規格書中各種特性曲線,例如 IC 對 VCE、VCEsat 對 IC 等。換言之,讀者只要依照本文所述的方法與邏輯,即可驗證模型的準確性。
本文看點:
- 提供完整的 SPICE 模型驗證電路與方法
- 利用 PSpice 的直流掃描(DC Sweep)輕易取得電晶體的特性曲線
2. 為什麼要驗證 SPICE 模型?
最根本的原因是確認模型正確,以確保模擬結果具有工程上的可信度與實用性。以下將說明幾個主要面向:
- 確保模擬結果與實際行為一致
SPICE 模型係根據數學方程式與實測資料建立,然而不同製程與不同廠商的元件特性往往存在顯著差異。若模型未經驗證,模擬結果可能與實際電路偏離,進而導致設計失敗或性能不符。 - 驗證模型參數是否合理
模型中的參數(如 hFE 值、VBE 等)會影響電晶體的放大倍率、頻率響應與功耗。透過驗證可檢視這些參數是否真實反映元件行為,尤其在高頻或極端溫度條件下更為重要。 - 避免設計風險與誤判
若模型低估功耗或漏電流,可能造成散熱設計不足;若高估增益或頻率響應,則可能導致電路不穩定甚至振盪。 - 支援設計優化與容差分析
經驗證的模型可用於 Monte Carlo 模擬與 Worst-case 分析,有助於設計者評估製程變異對電路的影響,並在元件選型、偏壓設計與穩定性分析中提供可靠依據。 - 驗證不同模擬工具的相容性
不同 SPICE 模擬器(如 PSpice、LTspice、Spectre)對模型語法與參數支援略有差異。透過驗證,可確保模型能在多種工具中正確運作,避免模擬錯誤或收斂失敗。
3. 縮寫定義
以下列出常用符號與定義,以利後續閱讀:
- VBE:基極對發射極的電壓
- VBEsat:基極對發射極的飽和電壓
- VCE:集電極對發射極的電壓
- VCEsat:集電極對發射極的飽和電壓
- IB:流入基極的電流
- IC:流入集電極的電流
- hFE:直流電流增益
4. 驗證 MJD41CT4 的模型
接下來,使用 ONSEMI 提供的 MJD41CT4 SPICE 模型進行模擬方法的開發,以檢驗模型準確性。
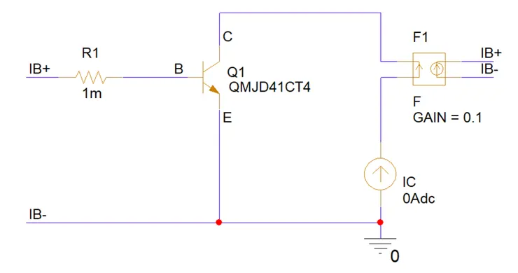
4.1 VBEsat 對 IC特性曲線
模擬電路
在模擬電路中,利用一個電流源 IC 提供集極電流,並以直流掃描(DC Sweep)的主掃描對 IC 進行掃描。根據規格書條件,此測試為 IC/IB =10。因此利用一個電流控制電流源 F1,將增益設定為 0.1,即可產生相當於 IC 十分之一的電流提供給基極。


模擬設定
在電路圖頁面,點擊 Pspice > Edit Simulation Profile,進行模擬的設定。詳細說明如下。
IC 直流掃描設定:
Sweep Variable:IC 的掃描變數選為 Current source,並輸入相應的名稱,即 IC。
Sweep Type:由於特性曲線橫軸為對數座標,因此選擇 Logarithmic,並在 Decade 模式下設定起始值(Start Value)與結束值(End Value),Points/Decade 則建議設為 100 至 1000。

溫度掃描設定:
VBEsat 與 IC 會受溫度影響,因此在 Options 中勾選 Temperature (Sweep)。於 Repeat the simulation for each of the temperature 欄位輸入輸入規格書中的特性曲線所示的溫度值,即可在輸出中觀察多條對應的特性曲線。

模擬結果

模擬結果與規格書比較如下:

4.2 VCE 對 IB 特性曲線
模擬電路
如下圖所示的模擬電路,以一個電流源 IB 提供基極電流,並透過直流掃描進行測試。從特性曲線可觀察到三條分別對應 1A、2.5A 與 5A 的集極電流,因此需額外使用次掃描(Secondary Sweep)對 IC 進行分析。


模擬設定
IB 直流掃描設定:
Sweep Variable:點擊 Current source,在 Name 欄位輸入零件編號,即 IB。
Sweep Type:由於原本的特性曲線的橫軸為對數座標,所以點擊Logarithmic。在下拉選單中選擇Decade。最後根據特性曲線將範圍設定為 10m 至 1000m,Points/Decade 設定 100 至 1000。

IC的直流掃描設定:
Sweep Variable:點擊 Current source,在 Name 欄位輸入零件編號,即 IC。
Sweep Type:由於原本的特性曲線有三條 IC 電流,因此,在 Value List 中輸入 「1 2.5 5」。

溫度掃描設定:
特性曲線中僅顯示在 25°C 的結溫,因此在 Run The Simulation at temperatures 欄位輸入 25,以確保在 25°C 的溫度下進行模擬。

模擬結果

模擬結果與規格書比較如下:

4.3 VCEsat 對 IC 特性曲線
模擬電路
此測試使用的模擬電路與 VBEsat 對 IC 的測試一致。


模擬設定
模擬設定的方式和前述兩個小結類似。


模擬結果
模擬結果顯示,不論 TA = 150°C 或其他溫度,其模擬數據與規格書差異甚大。然而,這並不代表模型或模擬無用。在特定應用場景,例如 MJD41C 作為開關,且負載為 24V 供電時,0.6V~1.2V 的 VCEsat 仍屬可容忍範圍。

調整縱軸的範圍後的結果如下。

若對 ONSEMI 的 MJD41C 模擬結果不滿意,亦可嘗試採用其他模型,如 NEXPERIA 的 MJD31C。其模擬結果在部分條件下更接近實測,參考下圖的結果。

4.4 IC 對 VCE 特性曲線
模擬電路
如下圖所示,提供一個直流電源到 C-E 之間及一個直流電流源到基極。利用直流掃描分析的主掃描對 VCE 進行掃描;次掃描對 IB 進行掃描。

圖 :IC 對 VCE 特性之模擬驗證電路
由於 ONSEMI 的 MJD41C 的規格書沒有 IC 對 VCE 的特性曲線,這裡引用 NEXPERIA 的 MJD31C的 IC 對 VCE 特性曲線進行說明,如下圖所示。

圖 :MJD31C 之 IC 對 VCE 特性曲線(來源:NEXPERIA)
模擬設定


模擬結果

根據模擬結果,IC = 6A DC,IB= 600mA DC 時,VCE 為 1.64V。根據 MJC41C 的規格書,VCE 為 1.5V。

圖:ONSEMI MJD41C 的 VCE(sat) 規格
4.5 hFE 對 IC 特性曲線
模擬電路
hFE 對 IC 的特性曲線無法直接從模擬輸出視窗中觀察。hFE 為直流增益,定義為 IC 除以 IB。模擬時需先取得 IC 與 IB,方能計算 hFE。根據特性曲線,VCE 固定為 2V,因此在模擬電路中提供一個直流電源至 C-E 端,並以直流電流源驅動基極電流,透過掃描即可取得對應的 IC。


模擬設定
在模擬設定方面,需對 IB 進行直流掃描。Start Value 建議設定為一個大於零的值,例如 0.1m;End Value 可暫定為 1000m,並根據模擬結果調整掃描範圍。若 IC 無法達到足夠小的電流值,則降低 Start Value;若無法達到足夠大的電流值,則提高 End Value。根據特性曲線所示溫度條件,在 Temperature (Sweep) 中指定單一溫度點進行模擬。

模擬後的處理
模擬完成後,將不同的 IC 與對應的 IB 記錄於 Excel 表格中,並以 IC 除以 IB 計算 hFE。接著,依相同方式進行其他溫度條件的模擬。最後,可使用數據視覺化工具(如 Origin)繪製 hFE 對 IC 的特性曲線,以比擬規格書所示圖形。

4.6 VBE 對 IC 特性曲線
模擬電路
根據 ONSEMI 所提供的 MJD41C 的 VBE 對 IC 特性曲線,VCE 固定為 4V。模擬電路中,於 C-E 兩端施加直流電源,為了觀察 VBE 對 IC 的關係,以直流電流源作為驅動訊號,並透過直流掃描分析對 IB 進行掃描。


模擬結果
模擬結果顯示,在 25°C 時,VBE 為 0.8V 時 IC 為 0.62A,與規格書所示的 1.2A 相比略有差距;而在 80°C 時,VBE 為 0.6V 時 IC 為 0.59A,規格書則為 0.36A。此結果顯示模擬值與實測資料存在一定誤差。

圖:溫度為 25°C 的模擬結果
5. 結論
本文系統性地介紹如何使用 PSpice 驗證 MJD41CT4 電晶體的 SPICE 模型,並透過多種特性曲線模擬(如 VBEsat 對 IC、VCE 對 IB、VCEsat 對 IC、IC 對 VCE、hFE 對 IC、VBE 對 IC)來檢視模型的準確性與實用性。模擬流程涵蓋電路架構設計、掃描參數設定、溫度條件調整,以及與規格書數據的誤差比對。
本文提供的驗證方法可協助工程師:
- 確認模型參數是否合理,避免設計誤判
- 評估模型在不同溫度與電流條件下的表現
- 支援元件選型、容差分析與跨模擬工具的相容性檢查
整體而言,這是一份兼具實務性與技術深度的模擬驗證指南。




















