重回 DAC 時基重整(III) -- 2015.03.28

加入 WCKO reclocked
上一次更動 DAC reclocked 已是一年多前的事了,當時並未針對 DF1700 輸出的 WCKO 進行 reclocked,雖然網路上相當多的討論皆建議需對進入 PCM63 的 Latch Enable 施行 reclocked,但因為 WCKO 的波形相當清楚,也就作罷。直到最近又將腦筋動在這上面,試著將示波器探針切換到高頻寬的檔位(因 WCKO 頻率不高,之前皆是以低頻寬模式觀察波形),並將波形放大,發現其仍有改善空間。
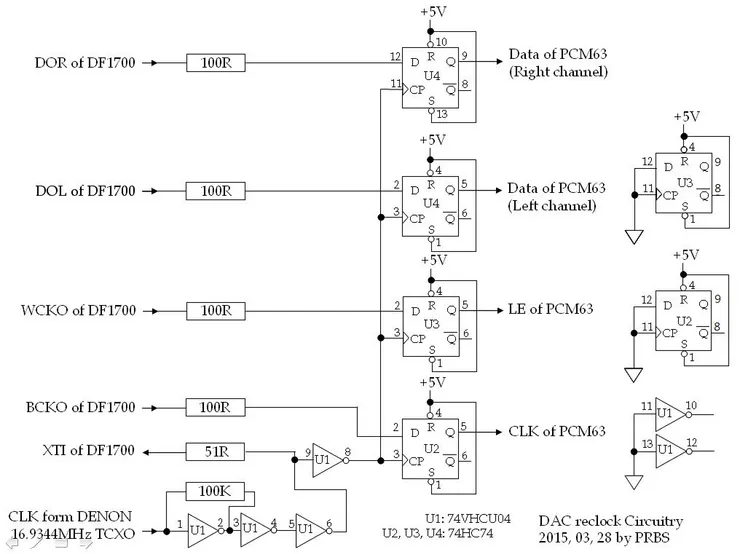
這是目前使用的 reclocked 線路,多加入了一顆 74HC74 做為 WCKO reclocked 之用,亦即 WCKO、BCKO 與 DOL/DOR 各以一顆 74HC74 進行 reclocked(U2、U3、U4),reclocked 電路中共用了三組 LM317 穩壓,U1一組,U2與U3共用,U4 一組。
Reclocked 電路
下面這兩張照片是在示波器低頻寬模式下 WCKO 訊號 reclocked 處理前後的波形,Reclock 後波形還是較佳些,若不兩相比較是不容易看出其間差異。

Reclocked 前,示波器探針低頻寬檔位時 WCKO 波形

Reclocked 後,示波器探針低頻寬檔位時 WCKO 波形
以下是更進一步比較 reclocked 前後差異,將示波器探針切換至高頻寬檔位,取波形上升邊緣並將其放大,reclocked 後波形較清晰,jitter 減少。

Reclocked 前,示波器探針高頻寬檔位時 WCKO 波形

Reclocked 後,示波器探針高頻寬檔位時 WCKO 波形
下面這兩張照片就很有感覺了,同上,但是在播放 CD 時的波形,在 CD 播放狀態下,會大幅增加 jitter,影響波形,reclocked 後對於 jitter 的抑制的確是效果明顯。

播放 CD 時,reclocked 前,示波器探針高頻寬檔位時 WCKO 波形

播放 CD 時,reclocked 後,示波器探針高頻寬檔位時 WCKO 波形

Reclocked 電路特寫,右邊的 74VHCU04 反向器並無作用

來自轉盤的時脈訊號先經 U1 反向器,搭了一組獨立的 LM317 供電
加入 WCKO reclocked 後的聲音是令人雀躍振奮的,音像更浮凸,加大了音場規模與空間感,細節表現與透明度也比之前有所進步,頻寬的延伸使得音樂多了一絲高貴的質感。
在 reclocked WCKO 之前,已在 DAC 類比電源上做些調音,這一陣子迷上 CRC 濾波與 BC Component(Philips)電容,發現這電容的聲音還真是不簡單,難怪 Jadis 的機器上盡是這電容。

OP 整流穩壓電源,採 CRC 濾波,類比電源在 DAC 中也是很有挑戰性的一環,樂趣多多

DAC 內部照片

























