前導
BCD(Binary-Coded Decimal) 是一種將十進位數字(0~9)用四位元二進位碼來表示的方法。
- 四位元二進位可以表示 0~15
- 但 BCD 只合法到 1001(9)
- 所以:當兩個 BCD 相加超過 9(1001),(即10~15)時,需要進行「修正」
- 若和有進位(C4=1,即16~19)時,一樣需要進行「修正」
- 而修正,就是+6。
簡單例子
(1)
(2)

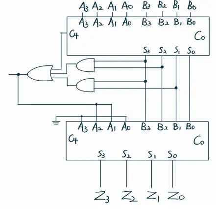
邏輯電路實現
整體電路模組
包含

修正條件邏輯
- 若和大於9(即10~15),將其SOP布林代數式放入卡諾圖中:

化簡後得到超9鑑別電路的的布林代數式為:

- 進位鑑別電路很簡單,即 C4=1。
最後將兩者的修正鑑別電路之布林代數式使用Orgate連接,就完成了。
需要修正 = Cout + S3·(S2 + S1)最後我們畫出電路:

- 注意,下層的C4不使用,為浮接狀態。
- Z3、Z2、Z1、Z0為最終資料輸出的和。
- Or閘的輸出為判斷該不該加6的依據,同時也是最終的進位輸出。
本頻道持續更新中(內容涵蓋前端程式設計入門、大學必備程式設計入門、電子系專業課程入門、數學微積分題解)如果身旁有相關科系的學生,不妨推薦一下喔~
相信這裡會是家教或線上課程之外,高中、大學生系統性綜合學習的好選擇。
最後感謝您的觀看!





















