前導
接續上回,我們來了解正緣觸發和負緣觸發的原理。
觀念其實不難,我們就只是利用邏輯閘的延遲時間(t_d)這個特點來實作出正緣觸發和負緣觸發電路的。請觀察下圖:

CK 經過右側的邏輯電路時(我們先不管它是什麼),我們可以觀察電路並畫出輸入-輸出時序圖:

你會發現,當CK由0轉變為1的瞬間,輸出就轉變為1,其餘情況則都為0,所以,這個邏輯電路其實就是正緣觸發檢測電路。
好,相同概念,負緣觸發檢測電路如下圖所示:

RS正反器
回到主題,RS正反器其電路、真值表符號如下所示。
電路

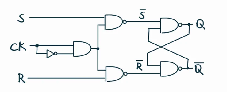
下圖為另一種等校之RS正反器內部架構示意圖:

而你實際看到的RS正反器如下圖所示:

真值表(正緣觸發)

好,現在還有一些關於正反器該知道的專有名詞與觀念。以下講解:
激勵表(excitation table)
真值表是輸入對應輸出的對照表,而激勵表與其相反,為輸出由現態變為次態的排列組合所對應的輸入對照表,換言之,激勵表是由輸出去對應輸入。
例如對於RS正反器,當現態Q由0變為次態Q=0,我們可以推測兩種輸入情況:
- S = 0、R = 1 (Reset)
- S = 0、R = 0 (不變)
所以我們可以依序按照此邏輯推導出完整的激勵表。

特徵方程式
把R、S及Qn視為輸入,而導出輸出的布林代數式,並經過化簡得到。
以下為次態的真值表:

透過卡諾圖畫簡:

最後我們就得知了RS正反器的輸出特徵方程式為:






















